产品分类

7410AM轴承
类型:【角接触球轴承 - 角接触球轴承】
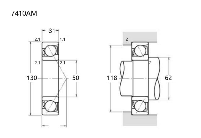
基本尺寸:内径:50 mm,外径:130 mm,厚度:31 mm。
价格区间:¥792.33 - ¥919.1【详情】
后缀列表:【A:接触角 30°】【M:实体黄铜保持架】
7410AM 是一款角接触球轴承,其基本尺寸为内径 50mm、外径 130mm 及厚度 31mm,属于中等负荷承载类型。该型号采用单列设计,通常具有接触角特性,可同时承受径向和轴向联合载荷,适用于轴向载荷较高的场合。
在精度等级方面,该轴承属于普通级别,涵盖 P0、P6 及 P5 等级别,可满足一般工业应用对运转精度和稳定性的需求。其结构设计有助于提升刚性,常见于中等转速工况,例如机床主轴、泵类设备或传动系统支撑部位。
该型号轴承采用常规材料与制造工艺,在安装时需注意轴向预紧及配合公差,以确保性能发挥。润滑方式可根据实际应用选择脂润滑或油润滑。使用时需结合具体工况条件,合理配置密封与冷却措施,以延长使用寿命。
总体而言,7410AM 角接触球轴承适用于多种工业机械领域,具备较好的通用性与适配性,用户可根据实际需求选择相应精度等级和配套方案。
7
4
1
0
A
M
7:角接触球轴承
4:尺寸系列:重窄 04 系列
10:内径:50 mm
A:接触角 30°
M:实体黄铜保持架
7:
角接触球轴承
4:
尺寸系列:重窄 04 系列
10:
内径:50 mm
A:
接触角 30°
M:
实体黄铜保持架
公称型号(按保持器区分) | ||
冲压钢 | 7410AW | |
尼龙 | 7410ATN | |
车削铜 | 7410AM | |
主要尺寸(mm) | ||
内径 | d | 50 |
外径 | D | 130 |
厚度 | B | 31 |
r(min) | 2.1 | |
r1(min) | 1.1 | |
接触角 | ||
α(度) | 30° | |
额定载荷(KN) | ||
动载荷 | Cr(单列) | 97.4 |
基本额定静载荷 | Cor(单列) | 65.3 |
系数 | ||
f0 | — | |
限制速度(rpm) | ||
脂润滑 | 4900 | |
油润滑 | 6600 | |
载荷中心(mm) | ||
a(单列) | 41.6 | |
安装尺寸(mm) | ||
da(min) | 62 | |
Da(max) | 118 | |
ra(max) | 2 | |
db(min) | ||
Db(max) | ||
rb(max) | ||
重量(kg) | ||
单列 | 1.92 |

商品 | 品牌 | 主要尺寸 | 发货仓 | 产地 | 库存 | 含税单价 | VIP价 | 操作 |
FAG 7410-MP轴承 单列角接触球轴承 |
FAG | 50 X 130 X 31 | 华北 | 20 | 919.1 | ¥792.33 | ||