产品分类

7406AM轴承
类型:【角接触球轴承 - 角接触球轴承】
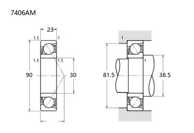
基本尺寸:内径:30 mm,外径:90 mm,厚度:23 mm。
价格区间:¥0 - ¥0【详情】
后缀列表:【A:接触角 30°】【M:实体黄铜保持架】
7406AM型角接触球轴承内径为30mm,外径90mm,厚度23mm,属于通用型滚动轴承。该轴承采用角接触设计,能够同时承受径向和轴向联合载荷,适用于中等转速及较高刚性的支撑场合。其接触角设计使轴承在轴向载荷作用下具备较好的承载性能,常应用于机床主轴、泵类设备或小型传动系统中。
该型号符合普通精度等级要求,可满足一般工业设备的运行需求。保持架结构采用轻量化设计,有助于减少高速运转时的摩擦热量。轴承的尺寸参数符合标准规范,便于在常规机械结构中直接安装使用。
使用过程中需注意保持适当的润滑状态,并避免超载或冲击载荷。在正确的安装和维护条件下,该型轴承能提供稳定的运行性能。其结构特点使其成为中小型机械传动系统中常用的支撑元件之一。
7
4
0
6
A
M
7:角接触球轴承
4:尺寸系列:重窄 04 系列
06:内径:30 mm
A:接触角 30°
M:实体黄铜保持架
7:
角接触球轴承
4:
尺寸系列:重窄 04 系列
06:
内径:30 mm
A:
接触角 30°
M:
实体黄铜保持架
公称型号(按保持器区分) | ||
冲压钢 | 7406AW | |
尼龙 | 7406ATN | |
车削铜 | 7406AM | |
主要尺寸(mm) | ||
内径 | d | 30 |
外径 | D | 90 |
厚度 | B | 23 |
r(min) | 1.5 | |
r1(min) | 1 | |
接触角 | ||
α(度) | 30° | |
额定载荷(KN) | ||
动载荷 | Cr(单列) | 47.6 |
基本额定静载荷 | Cor(单列) | 28.4 |
系数 | ||
f0 | — | |
限制速度(rpm) | ||
脂润滑 | 7300 | |
油润滑 | 9700 | |
载荷中心(mm) | ||
a(单列) | 29.3 | |
安装尺寸(mm) | ||
da(min) | 38.5 | |
Da(max) | 81.5 | |
ra(max) | 1 | |
db(min) | ||
Db(max) | ||
rb(max) | ||
重量(kg) | ||
单列 | 0.686 |

商品 | 品牌 | 主要尺寸 | 发货仓 | 产地 | 库存 | 含税单价 | VIP价 | 操作 |