产品分类

7405AM轴承
类型:【角接触球轴承 - 角接触球轴承】
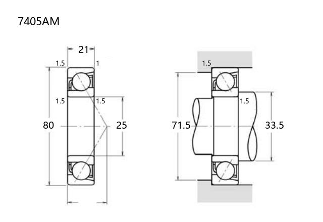
基本尺寸:内径:25 mm,外径:80 mm,厚度:21 mm。
价格区间:¥0 - ¥0【详情】
后缀列表:【A:接触角 30°】【M:实体黄铜保持架】
7405AM型角接触球轴承内径为25毫米,外径80毫米,厚度21毫米,属于通用型滚动轴承。其结构设计可同时承受径向和轴向载荷,接触角特性使其适用于复合载荷工况。该型号常见于普通精度等级,涵盖P0、P6或P5级别,能够满足多数工业设备对刚性和运行精度的基础需求。
此类轴承多应用于中等转速场景,如通用电机传动系统、泵类设备或小型变速箱中。其尺寸参数符合标准化的安装要求,便于与其他机械部件配合使用。在选型时需结合具体设备的载荷条件、转速范围及精度要求进行综合评估。润滑条件与安装精度会对轴承性能及使用寿命产生一定影响,建议遵循设备制造商的维护规范进行操作。
7
4
0
5
A
M
7:角接触球轴承
4:尺寸系列:重窄 04 系列
05:内径:25 mm
A:接触角 30°
M:实体黄铜保持架
7:
角接触球轴承
4:
尺寸系列:重窄 04 系列
05:
内径:25 mm
A:
接触角 30°
M:
实体黄铜保持架
公称型号(按保持器区分) | ||
冲压钢 | 7405AW | |
尼龙 | 7405ATN | |
车削铜 | 7405AM | |
主要尺寸(mm) | ||
内径 | d | 25 |
外径 | D | 80 |
厚度 | B | 21 |
r(min) | 1.5 | |
r1(min) | 1 | |
接触角 | ||
α(度) | 30° | |
额定载荷(KN) | ||
动载荷 | Cr(单列) | 39.7 |
基本额定静载荷 | Cor(单列) | 23.2 |
系数 | ||
f0 | — | |
限制速度(rpm) | ||
脂润滑 | 8200 | |
油润滑 | 11000 | |
载荷中心(mm) | ||
a(单列) | 26.4 | |
安装尺寸(mm) | ||
da(min) | 33.5 | |
Da(max) | 71.5 | |
ra(max) | 1.5 | |
db(min) | ||
Db(max) | ||
rb(max) | ||
重量(kg) | ||
单列 | 0.527 |

商品 | 品牌 | 主要尺寸 | 发货仓 | 产地 | 库存 | 含税单价 | VIP价 | 操作 |