产品分类

7404AM轴承
类型:【角接触球轴承 - 角接触球轴承】
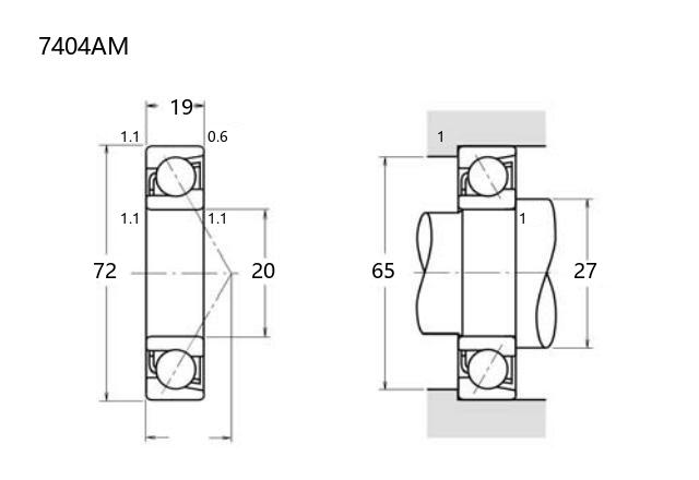
基本尺寸:内径:20 mm,外径:72 mm,厚度:19 mm。
价格区间:¥0 - ¥0【详情】
后缀列表:【A:接触角 30°】【M:实体黄铜保持架】
7404AM属于角接触球轴承,内径为20mm,外径72mm,厚度19mm,适用于中等转速和载荷的应用场景。该轴承设计用于承受径向和轴向联合载荷,接触角优化了轴向负荷能力,常见于需要较高旋转精度的设备中。其结构包含实心外圈、内圈及球和保持架组件,材料通常采用高碳铬钢,具备较好的耐磨性和疲劳寿命。
7404AM多用于工业传动、小型电机、泵类或精密仪器等领域,安装时需注意调整预紧力以保证运行稳定性。该型号在普通级精度下生产,可满足一般工业环境的运转需求,维护时建议根据实际工况定期检查润滑状态和游隙变化。使用中需避免超载或高速过热,以延长轴承使用寿命。
7
4
0
4
A
M
7:角接触球轴承
4:尺寸系列:重窄 04 系列
04:内径:20 mm
A:接触角 30°
M:实体黄铜保持架
7:
角接触球轴承
4:
尺寸系列:重窄 04 系列
04:
内径:20 mm
A:
接触角 30°
M:
实体黄铜保持架
公称型号(按保持器区分) | ||
冲压钢 | 7404AW | |
尼龙 | 7404ATN | |
车削铜 | 7404AM | |
主要尺寸(mm) | ||
内径 | d | 20 |
外径 | D | 72 |
厚度 | B | 19 |
r(min) | 1.1 | |
r1(min) | 0.6 | |
接触角 | ||
α(度) | 30° | |
额定载荷(KN) | ||
动载荷 | Cr(单列) | 35.6 |
基本额定静载荷 | Cor(单列) | 19.1 |
系数 | ||
f0 | — | |
限制速度(rpm) | ||
脂润滑 | 9600 | |
油润滑 | 13000 | |
载荷中心(mm) | ||
a(单列) | 23.1 | |
安装尺寸(mm) | ||
da(min) | 27 | |
Da(max) | 65 | |
ra(max) | 1 | |
db(min) | ||
Db(max) | ||
rb(max) | ||
重量(kg) | ||
单列 | 0.395 |

商品 | 品牌 | 主要尺寸 | 发货仓 | 产地 | 库存 | 含税单价 | VIP价 | 操作 |