产品分类

7348BM轴承
类型:【角接触球轴承 - 角接触球轴承】
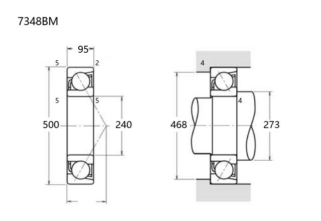
基本尺寸:内径:240 mm,外径:500 mm,厚度:95 mm。
价格区间:¥27957.93 - ¥36345.31【详情】
后缀列表:【B:接触角 40°】【M:实体黄铜保持架】
7348BM属于角接触球轴承,内径为240mm,外径为500mm,厚度为95mm。该轴承设计用于承受联合载荷,尤其是以轴向载荷为主的工况,常见于中等转速应用。其接触角结构有助于提升轴向刚性,适用于需要一定精度和负载能力的设备。
该型号归类为普通精度等级,涵盖P0、P6或P5级别,可满足不同工况对运转精度的需求。角接触球轴承通常应用于工业传动、电机、泵类设备及某些专用机械中,能够支持较高的轴向负荷,并在一定程度上适应径向载荷。
7348BM轴承的结构特点使其在安装时需注意配置方式,通常采用成对安装以优化性能。此类轴承在选型时需综合考虑载荷类型、转速范围及工作环境等因素,确保匹配应用需求。维护时建议定期检查润滑状态和磨损情况,以延长使用寿命。
7
3
4
8
B
M
7:角接触球轴承
3:尺寸系列:中窄 03 系列
48:内径:240 mm
B:接触角 40°
M:实体黄铜保持架
7:
角接触球轴承
3:
尺寸系列:中窄 03 系列
48:
内径:240 mm
B:
接触角 40°
M:
实体黄铜保持架
公称型号(按保持器区分) | ||
冲压钢 | ||
尼龙 | 7348BTN | |
车削铜 | 7348BM | |
主要尺寸(mm) | ||
内径 | d | 240 |
外径 | D | 500 |
厚度 | B | 95 |
r(min) | 5 | |
r1(min) | 2 | |
接触角 | ||
α(度) | 40° | |
额定载荷(KN) | ||
动载荷 | Cr(单列) | 515 |
基本额定静载荷 | Cor(单列) | 800 |
系数 | ||
f0 | — | |
限制速度(rpm) | ||
脂润滑 | ||
油润滑 | ||
载荷中心(mm) | ||
a(单列) | 202.7 | |
安装尺寸(mm) | ||
da(min) | 273 | |
Da(max) | 468 | |
ra(max) | 4 | |
db(min) | — | |
Db(max) | 480 | |
rb(max) | 2 | |
重量(kg) | ||
单列 | 91.9 |

商品 | 品牌 | 主要尺寸 | 发货仓 | 产地 | 库存 | 含税单价 | VIP价 | 操作 |
FAG 7348B.MP.UA轴承 单列角接触球轴承 |
FAG | 240 X 500 X 95 | 华东 | 28 | 36345.31 | ¥27957.93 | ||