产品分类

7348AM轴承
类型:【角接触球轴承 - 角接触球轴承】
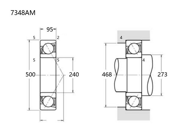
基本尺寸:内径:240 mm,外径:500 mm,厚度:95 mm。
价格区间:¥0 - ¥0【详情】
后缀列表:【A:接触角 30°】【M:实体黄铜保持架】
7348AM型角接触球轴承内径为240mm,外径500mm,厚度95mm,属于单列角接触结构。该型号的设计能够同时承受径向和轴向联合载荷,接触角的存在使其具备较高的轴向承载能力。其结构特点为滚道与钢球之间存在特定接触角度,运转时可形成内部负荷作用线,从而提升刚性表现。
该轴承适用于中等转速及较高负载工况,常见于工业传动装置、中型电机主轴或大型泵类设备等场景。轴承保持架通常采用黄铜实体结构,有助于提升运转稳定性。精度等级涵盖普通级(P0级)至P5级,可满足不同应用场景对旋转精度的基础需求。
安装时需注意角接触轴承通常采用成对配置,通过预紧调整可进一步优化轴承系统的刚性。使用过程中需保证适当的润滑条件,以维持轴承的设计寿命。该型号轴承的尺寸参数符合国际通用标准,具有较好的互换性。
7
3
4
8
A
M
7:角接触球轴承
3:尺寸系列:中窄 03 系列
48:内径:240 mm
A:接触角 30°
M:实体黄铜保持架
7:
角接触球轴承
3:
尺寸系列:中窄 03 系列
48:
内径:240 mm
A:
接触角 30°
M:
实体黄铜保持架
公称型号(按保持器区分) | ||
冲压钢 | ||
尼龙 | 7348ATN | |
车削铜 | 7348AM | |
主要尺寸(mm) | ||
内径 | d | 240 |
外径 | D | 500 |
厚度 | B | 95 |
r(min) | 5 | |
r1(min) | 2 | |
接触角 | ||
α(度) | 30° | |
额定载荷(KN) | ||
动载荷 | Cr(单列) | 565 |
基本额定静载荷 | Cor(单列) | 880 |
系数 | ||
f0 | — | |
限制速度(rpm) | ||
脂润滑 | ||
油润滑 | ||
载荷中心(mm) | ||
a(单列) | 154.3 | |
安装尺寸(mm) | ||
da(min) | 273 | |
Da(max) | 468 | |
ra(max) | 4 | |
db(min) | — | |
Db(max) | 480 | |
rb(max) | 2 | |
重量(kg) | ||
单列 | 92.5 |

商品 | 品牌 | 主要尺寸 | 发货仓 | 产地 | 库存 | 含税单价 | VIP价 | 操作 |