产品分类

7338ATN轴承
类型:【角接触球轴承 - 角接触球轴承】
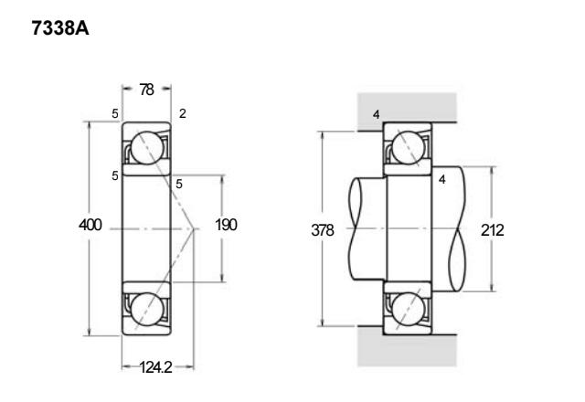
基本尺寸:内径:190 mm,外径:400 mm,厚度:78 mm。
价格区间:¥0 - ¥0【详情】
后缀列表:【A:接触角 30°】【TN:尼龙聚酰胺树脂保持架】
7338ATN属于角接触球轴承系列,其结构特点是内外圈之间形成接触角,可同时承受径向和轴向联合载荷。该型号适用于中等转速及较高载荷的工况条件,常见于工业传动、重型设备及精密机械中。其基本尺寸为内径190mm、外径400mm、厚度78mm,采用实体保持架设计,有助于维持滚动体的稳定运转。
该轴承采用接触角优化设计,能够提供较好的刚性和运行精度,适用于双向轴向载荷场合。润滑方式多采用脂润滑或油润滑,具体需根据实际工况选择。制造过程中通常会进行热处理和表面处理,以提升耐磨性和疲劳寿命。
在安装时需注意预紧力和对中精度,不正确的安装可能导致异常温升或早期失效。此类轴承多用于齿轮箱、泵类设备及中型电机等应用场景,用户需根据实际载荷、转速及环境条件综合选型。储存和维护时应避免腐蚀和污染,以延长使用寿命。
7
3
3
8
A
T
N
7:角接触球轴承
3:尺寸系列:中窄 03 系列
38:内径:190 mm
A:接触角 30°
TN:尼龙聚酰胺树脂保持架
7:
角接触球轴承
3:
尺寸系列:中窄 03 系列
38:
内径:190 mm
A:
接触角 30°
TN:
尼龙聚酰胺树脂保持架
公称型号(按保持器区分) | ||
冲压钢 | 7338AW | |
尼龙 | 7338ATN | |
车削铜 | 7338AM | |
主要尺寸(mm) | ||
内径 | d | 190 |
外径 | D | 400 |
厚度 | B | 78 |
r(min) | 5 | |
r1(min) | 2 | |
接触角 | ||
α(度) | 30° | |
额定载荷(KN) | ||
动载荷 | Cr(单列) | 450 |
基本额定静载荷 | Cor(单列) | 600 |
系数 | ||
f0 | — | |
限制速度(rpm) | ||
脂润滑 | 1400 | |
油润滑 | 1900 | |
载荷中心(mm) | ||
a(单列) | 124.2 | |
安装尺寸(mm) | ||
da(min) | 212 | |
Da(max) | 378 | |
ra(max) | 4 | |
db(min) | — | |
Db(max) | 390 | |
rb(max) | 2 | |
重量(kg) | ||
单列 | 47.5 |

商品 | 品牌 | 主要尺寸 | 发货仓 | 产地 | 库存 | 含税单价 | VIP价 | 操作 |