产品分类

7338AM轴承
类型:【角接触球轴承 - 角接触球轴承】
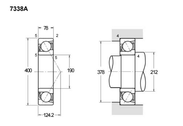
基本尺寸:内径:190 mm,外径:400 mm,厚度:78 mm。
价格区间:¥9170.96 - ¥19827.21【详情】
后缀列表:【A:接触角 30°】【M:机加工黄铜保持架】
7338AM属于角接触球轴承系列,内径为190毫米,外径达400毫米,厚度为78毫米。这类轴承设计用于承受径向和轴向联合载荷,尤其适用于高速运转场合。其结构特点在于滚道与滚动体之间的接触角,能够提供较高的轴向刚性。7338AM通常采用普通精度等级,如P0、P6或P5级,适用于中等负荷和转速要求。
该型号轴承常见于工业传动系统、电机主轴或重型机械设备中,能够支撑较大轴向力并保持稳定运转。其尺寸设计有助于在有限空间内实现有效支撑,同时减少摩擦损耗。角接触球轴承通常需成对安装以优化性能,但具体配置需结合实际工况。
7338AM的材料和热处理工艺遵循行业标准,确保耐磨性和疲劳寿命。使用时应注重配合公差和润滑条件,以充分发挥其性能特点。这类轴承的选择需综合考虑载荷方向、转速范围及安装环境等因素。
7
3
3
8
A
M
7:角接触球轴承
3:尺寸系列:中窄 03 系列
38:内径:190 mm
A:接触角 30°
M:机加工黄铜保持架
7:
角接触球轴承
3:
尺寸系列:中窄 03 系列
38:
内径:190 mm
A:
接触角 30°
M:
机加工黄铜保持架
公称型号(按保持器区分) | ||
冲压钢 | 7338AW | |
尼龙 | 7338ATN | |
车削铜 | 7338AM | |
主要尺寸(mm) | ||
内径 | d | 190 |
外径 | D | 400 |
厚度 | B | 78 |
r(min) | 5 | |
r1(min) | 2 | |
接触角 | ||
α(度) | 30° | |
额定载荷(KN) | ||
动载荷 | Cr(单列) | 450 |
基本额定静载荷 | Cor(单列) | 600 |
系数 | ||
f0 | — | |
限制速度(rpm) | ||
脂润滑 | 1400 | |
油润滑 | 1900 | |
载荷中心(mm) | ||
a(单列) | 124.2 | |
安装尺寸(mm) | ||
da(min) | 212 | |
Da(max) | 378 | |
ra(max) | 4 | |
db(min) | — | |
Db(max) | 390 | |
rb(max) | 2 | |
重量(kg) | ||
单列 | 47.5 |

商品 | 品牌 | 主要尺寸 | 发货仓 | 产地 | 库存 | 含税单价 | VIP价 | 操作 |
NSK 7338A轴承 单列角接触球轴承 |
NSK | 190 X 400 X 78 | 华东 | 日本 | 1 | 10088.06 | ¥9170.96 | |
FAG 7338-MP-UA轴承 单列角接触球轴承 |
FAG | 190 X 400 X 78 | 华南 | 5 | 19827.21 | ¥15369.93 | ||