产品分类

7336BW轴承
类型:【角接触球轴承 - 角接触球轴承】
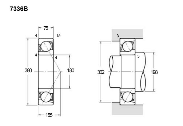
基本尺寸:内径:180 mm,外径:380 mm,厚度:75 mm。
价格区间:¥0 - ¥0【详情】
后缀列表:【B:接触角 40°】【W:钢板冲压冠形保持架】
7336BW型角接触球轴承的内径为180mm,外径为380mm,厚度75mm。该轴承属于角接触球轴承类别,采用单列设计,适用于承受联合载荷及纯轴向载荷的工况。其接触角设计使轴承在高速运转条件下具备较好的刚性及稳定性,常见于中等负荷及较高转速的应用场景。
该型号轴承通常采用普通精度等级,涵盖P0、P6或P5级,能够满足一般工业设备的精度需求。7336BW型轴承的结构特性使其适用于轴向空间受限的安装环境,例如某些传动系统、电机主轴或齿轮箱结构。需要注意的是,实际应用中需根据具体工况条件配合适当的润滑方式与安装精度,以发挥其性能并延长使用寿命。
在使用过程中需注意载荷方向与内部游隙的匹配,避免过载或偏载导致的早期失效。该型号轴承不属于特定高性能专用轴承范畴,但其通用性与经济性在许多工业领域中得到广泛应用。
7
3
3
6
B
W
7:角接触球轴承
3:尺寸系列:中窄 03 系列
36:内径:180 mm
B:接触角 40°
W:钢板冲压冠形保持架
7:
角接触球轴承
3:
尺寸系列:中窄 03 系列
36:
内径:180 mm
B:
接触角 40°
W:
钢板冲压冠形保持架
公称型号(按保持器区分) | ||
冲压钢 | 7336BW | |
尼龙 | 7336BTN | |
车削铜 | 7336BM | |
主要尺寸(mm) | ||
内径 | d | 180 |
外径 | D | 380 |
厚度 | B | 75 |
r(min) | 4 | |
r1(min) | 1.5 | |
接触角 | ||
α(度) | 40° | |
额定载荷(KN) | ||
动载荷 | Cr(单列) | 375 |
基本额定静载荷 | Cor(单列) | 490 |
系数 | ||
f0 | — | |
限制速度(rpm) | ||
脂润滑 | 1300 | |
油润滑 | 1800 | |
载荷中心(mm) | ||
a(单列) | 155 | |
安装尺寸(mm) | ||
da(min) | 198 | |
Da(max) | 362 | |
ra(max) | 3 | |
db(min) | — | |
Db(max) | 371 | |
rb(max) | 1.5 | |
重量(kg) | ||
单列 | 42.6 |

商品 | 品牌 | 主要尺寸 | 发货仓 | 产地 | 库存 | 含税单价 | VIP价 | 操作 |