产品分类

7332AW轴承
类型:【角接触球轴承 - 角接触球轴承】
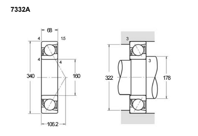
基本尺寸:内径:160 mm,外径:340 mm,厚度:68 mm。
价格区间:¥0 - ¥0【详情】
后缀列表:【A:接触角 30°】【W:钢板冲压冠形保持架】
7332AW属于角接触球轴承,内径为160mm,外径340mm,厚度68mm。该型号通常采用钢材制造,结构上能够同时承受径向和轴向载荷,适用于中高速运转场合。其接触角设计有助于提升轴向承载能力,常见于工业传动设备、中型机械主轴等应用。
该轴承符合P0级公差标准,也可提供P6或P5级高精度选项,具体性能需根据实际工况和配置确定。在使用中需配合适当的润滑和安装方式,以确保运行平稳性和使用寿命。
由于角接触球轴承通常需成对使用以实现较好刚性,7332AW在多组配置中较为常见,适用于中等负荷及转速条件。实际选用时应结合设备要求、负载类型和环境条件进行综合评估。
7
3
3
2
A
W
7:角接触球轴承
3:尺寸系列:中窄 03 系列
32:内径:160 mm
A:接触角 30°
W:钢板冲压冠形保持架
7:
角接触球轴承
3:
尺寸系列:中窄 03 系列
32:
内径:160 mm
A:
接触角 30°
W:
钢板冲压冠形保持架
公称型号(按保持器区分) | ||
冲压钢 | 7332AW | |
尼龙 | 7332ATN | |
车削铜 | 7332AM | |
主要尺寸(mm) | ||
内径 | d | 160 |
外径 | D | 340 |
厚度 | B | 68 |
r(min) | 4 | |
r1(min) | 1.5 | |
接触角 | ||
α(度) | 30° | |
额定载荷(KN) | ||
动载荷 | Cr(单列) | 345 |
基本额定静载荷 | Cor(单列) | 420 |
系数 | ||
f0 | — | |
限制速度(rpm) | ||
脂润滑 | 1700 | |
油润滑 | 2200 | |
载荷中心(mm) | ||
a(单列) | 106.2 | |
安装尺寸(mm) | ||
da(min) | 178 | |
Da(max) | 322 | |
ra(max) | 3 | |
db(min) | — | |
Db(max) | 331 | |
rb(max) | 1.5 | |
重量(kg) | ||
单列 | 30.7 |

商品 | 品牌 | 主要尺寸 | 发货仓 | 产地 | 库存 | 含税单价 | VIP价 | 操作 |