产品分类

7326CM轴承
类型:【角接触球轴承 - 角接触球轴承】
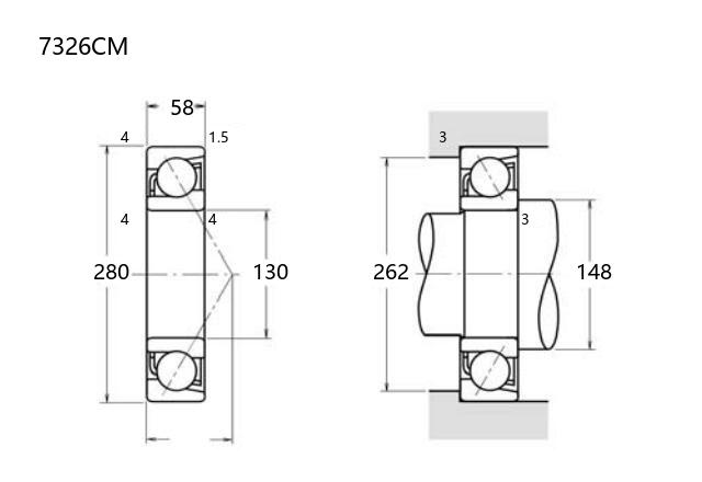
基本尺寸:内径:130 mm,外径:280 mm,厚度:58 mm。
价格区间:¥0 - ¥0【详情】
后缀列表:【C:接触角 15°】【M:实体黄铜保持架】
7326CM属于角接触球轴承系列,其内径为130毫米,外径为280毫米,厚度为58毫米。这类轴承设计用于承受径向和轴向联合载荷,尤其适用于高速运转场合。其接触角通常为中等角度,有助于提升刚性并减少摩擦损失。
在结构上,7326CM采用单列设计,适用于普通精度等级,如P0、P6或P5级别,可满足一般工业应用的需求。常见用途包括机床主轴、泵类设备、电机及传动系统等。该型号轴承在安装时需注意配对使用或预紧调整,以确保性能稳定。
材料方面,轴承多采用高碳铬钢制造,经过适当热处理以提高耐磨性和疲劳寿命。其保持架可能使用铜合金或工程塑料,具体取决于工作条件。在润滑良好且负荷适中的环境下,这类轴承可提供较长的服务周期。用户在选择时需结合实际工况,考虑转速、载荷类型及环境因素,以确保匹配应用需求。
7
3
2
6
C
M
7:角接触球轴承
3:尺寸系列:中窄 03 系列
26:内径:130 mm
C:接触角 15°
M:实体黄铜保持架
7:
角接触球轴承
3:
尺寸系列:中窄 03 系列
26:
内径:130 mm
C:
接触角 15°
M:
实体黄铜保持架
公称型号(按保持器区分) | ||
冲压钢 | ||
尼龙 | 7326CTN | |
车削铜 | 7326CM | |
主要尺寸(mm) | ||
内径 | d | 130 |
外径 | D | 280 |
厚度 | B | 58 |
r(min) | 4 | |
r1(min) | 1.5 | |
接触角 | ||
α(度) | 15° | |
额定载荷(KN) | ||
动载荷 | Cr(单列) | 294 |
基本额定静载荷 | Cor(单列) | 314 |
系数 | ||
f0 | 13.7 | |
限制速度(rpm) | ||
脂润滑 | 3800 | |
油润滑 | 5000 | |
载荷中心(mm) | ||
a(单列) | 56.5 | |
安装尺寸(mm) | ||
da(min) | 148 | |
Da(max) | 262 | |
ra(max) | 3 | |
db(min) | — | |
Db(max) | 271 | |
rb(max) | 1.5 | |
重量(kg) | ||
单列 | 15.4 |

商品 | 品牌 | 主要尺寸 | 发货仓 | 产地 | 库存 | 含税单价 | VIP价 | 操作 |