产品分类

7324CM轴承
类型:【角接触球轴承 - 角接触球轴承】
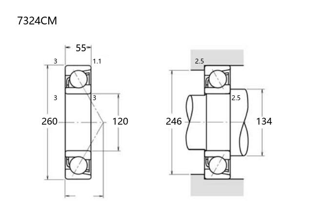
基本尺寸:内径:120 mm,外径:260 mm,厚度:55 mm。
价格区间:¥0 - ¥0【详情】
后缀列表:【C:接触角 15°】【M:实体黄铜保持架】
7324CM属于角接触球轴承,内径为120毫米,外径260毫米,厚度55毫米。该轴承设计用于同时承受径向和轴向载荷,接触角优化了轴向负荷能力,适用于较高转速场合。CM后缀通常表示轴承内部结构经过调整,如保持架设计或材料优化,以提升运行平稳性和使用寿命。
该型号属于普通精度等级,涵盖P0、P6或P5级,可满足一般工业应用对精度和刚度的基本需求。常见应用包括电机主轴、泵类设备、传动系统及中型机械旋转部件,尤其适合需要双向轴向负荷支持的配置。
轴承采用常规润滑设计,维护便捷,但在安装时需注意配对使用或预紧调整,以确保载荷分布均匀。其尺寸符合标准规范,便于替换和集成到现有设备中。综合来看,7324CM是一款通用型角接触球轴承,平衡了性能与可靠性,适用于多种工业场景。
7
3
2
4
C
M
7:角接触球轴承
3:尺寸系列:中窄 03 系列
24:内径:120 mm
C:接触角 15°
M:实体黄铜保持架
7:
角接触球轴承
3:
尺寸系列:中窄 03 系列
24:
内径:120 mm
C:
接触角 15°
M:
实体黄铜保持架
公称型号(按保持器区分) | ||
冲压钢 | ||
尼龙 | 7324CTN | |
车削铜 | 7324CM | |
主要尺寸(mm) | ||
内径 | d | 120 |
外径 | D | 260 |
厚度 | B | 55 |
r(min) | 3 | |
r1(min) | 1.1 | |
接触角 | ||
α(度) | 15° | |
额定载荷(KN) | ||
动载荷 | Cr(单列) | 265 |
基本额定静载荷 | Cor(单列) | 271 |
系数 | ||
f0 | 13.7 | |
限制速度(rpm) | ||
脂润滑 | 4100 | |
油润滑 | 5500 | |
载荷中心(mm) | ||
a(单列) | 53 | |
安装尺寸(mm) | ||
da(min) | 134 | |
Da(max) | 246 | |
ra(max) | 2.5 | |
db(min) | — | |
Db(max) | 253 | |
rb(max) | 1 | |
重量(kg) | ||
单列 | 12.6 |

商品 | 品牌 | 主要尺寸 | 发货仓 | 产地 | 库存 | 含税单价 | VIP价 | 操作 |