产品分类

7320CM轴承
类型:【角接触球轴承 - 角接触球轴承】
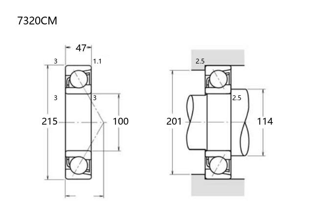
基本尺寸:内径:100 mm,外径:215 mm,厚度:47 mm。
价格区间:¥0 - ¥0【详情】
后缀列表:【C:接触角 15°】【M:机加工黄铜保持架】
7320CM角接触球轴承内径为100毫米,外径215毫米,厚度47毫米,属于中大型轴承规格。该型号采用单列设计,接触角适中,可同时承受径向和轴向联合载荷,适用于中等转速及负荷工况。其内部结构和滚道几何经过优化,运转平稳性较好。
该轴承常见于普通工业等级,涵盖P0、P6或P5精度级别,能够满足多数通用设备的精度需求。典型应用包括传动轴、齿轮箱、中型泵类及通用机械旋转部位,尤其在需要控制轴向位移的场合表现良好。
材料多采用高碳铬钢,经热处理后具备一定的耐磨性和疲劳强度。保持架结构为冲压钢或实体黄铜,有助于降低摩擦和维持滚子引导稳定性。润滑方式可根据实际工况选择脂润滑或油润滑。
正确安装和维护对轴承寿命影响显著,需注意预紧调整及对齐精度,以避免非正常失效。该型号作为通用型角接触轴承,在工业传动领域具有较高的适用性。
7
3
2
0
C
M
7:角接触球轴承
3:尺寸系列:中窄 03 系列
20:内径:100 mm
C:接触角 15°
M:机加工黄铜保持架
7:
角接触球轴承
3:
尺寸系列:中窄 03 系列
20:
内径:100 mm
C:
接触角 15°
M:
机加工黄铜保持架
公称型号(按保持器区分) | ||
冲压钢 | ||
尼龙 | 7320CTN | |
车削铜 | 7320CM | |
主要尺寸(mm) | ||
内径 | d | 100 |
外径 | D | 215 |
厚度 | B | 47 |
r(min) | 3 | |
r1(min) | 1.1 | |
接触角 | ||
α(度) | 15° | |
额定载荷(KN) | ||
动载荷 | Cr(单列) | 197 |
基本额定静载荷 | Cor(单列) | 173 |
系数 | ||
f0 | 13.4 | |
限制速度(rpm) | ||
脂润滑 | 5000 | |
油润滑 | 6700 | |
载荷中心(mm) | ||
a(单列) | 44.8 | |
安装尺寸(mm) | ||
da(min) | 114 | |
Da(max) | 201 | |
ra(max) | 2.5 | |
db(min) | 107 | |
Db(max) | 208 | |
rb(max) | 1 | |
重量(kg) | ||
单列 | 7.53 |

商品 | 品牌 | 主要尺寸 | 发货仓 | 产地 | 库存 | 含税单价 | VIP价 | 操作 |