产品分类

7319CM轴承
类型:【角接触球轴承 - 角接触球轴承】
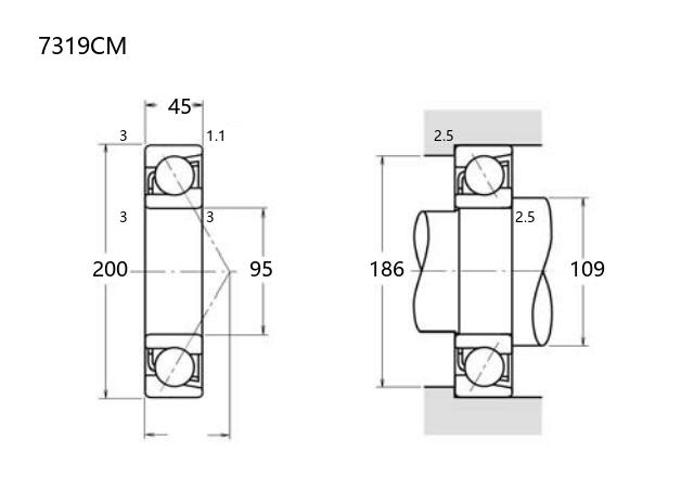
基本尺寸:内径:95 mm,外径:200 mm,厚度:45 mm。
价格区间:¥2367.68 - ¥2912.25【详情】
后缀列表:【C:接触角 15°】【M:机加工黄铜保持架】
7319CM属于角接触球轴承,内径为95毫米,外径200毫米,厚度45毫米。这类轴承设计用于承受径向和轴向联合载荷,接触角通常为15°或特定角度,具体数值需参考生产商技术资料。其结构特点包括实心外圈和保持架设计,适用于中等转速和负载条件。
该轴承多应用于工业传动系统、机床主轴或齿轮箱等场景,能够提供一定的刚性及运行精度。性能等级涵盖普通级,如P0、P6或P5,用户可根据实际工况选择匹配的精度等级。安装时需注意调整预紧力,以优化轴承寿命和稳定性。
使用过程中需确保润滑充分,避免过热或异常磨损。存储及维护应参照行业标准执行,以延长使用寿命。具体参数及适用场景建议结合厂商提供的技术手册进行确认。
7
3
1
9
C
M
7:角接触球轴承
3:尺寸系列:中窄 03 系列
19:内径:95 mm
C:接触角 15°
M:机加工黄铜保持架
7:
角接触球轴承
3:
尺寸系列:中窄 03 系列
19:
内径:95 mm
C:
接触角 15°
M:
机加工黄铜保持架
公称型号(按保持器区分) | ||
冲压钢 | ||
尼龙 | 7319CTN | |
车削铜 | 7319CM | |
主要尺寸(mm) | ||
内径 | d | 95 |
外径 | D | 200 |
厚度 | B | 45 |
r(min) | 3 | |
r1(min) | 1.1 | |
接触角 | ||
α(度) | 15° | |
额定载荷(KN) | ||
动载荷 | Cr(单列) | 185 |
基本额定静载荷 | Cor(单列) | 160 |
系数 | ||
f0 | 13.5 | |
限制速度(rpm) | ||
脂润滑 | 5500 | |
油润滑 | 7300 | |
载荷中心(mm) | ||
a(单列) | 42.3 | |
安装尺寸(mm) | ||
da(min) | 109 | |
Da(max) | 186 | |
ra(max) | 2.5 | |
db(min) | 102 | |
Db(max) | 193 | |
rb(max) | 1 | |
重量(kg) | ||
单列 | 6.12 |

商品 | 品牌 | 主要尺寸 | 发货仓 | 产地 | 库存 | 含税单价 | VIP价 | 操作 |
NSK 7319CP5轴承 单列角接触球轴承 |
NSK | 95 X 200 X 45 | 华东 | 日本 | 2 | 2912.25 | ¥2367.68 | |