产品分类

7316AM轴承
类型:【角接触球轴承 - 角接触球轴承】
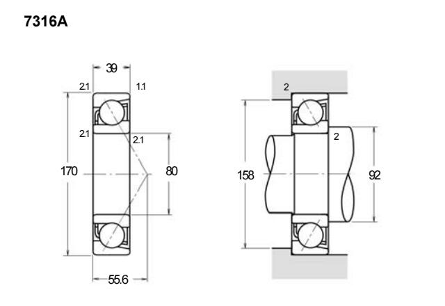
基本尺寸:内径:80 mm,外径:170 mm,厚度:39 mm。
价格区间:¥261.56 - ¥1308.59【详情】
后缀列表:【A:接触角 30°】【M:机加工黄铜保持架】
7316AM型轴承属于角接触球轴承类别,采用常见的接触角设计,主要适用于承受径向与轴向复合载荷的工况。该轴承的基本尺寸为内径80毫米、外径170毫米、厚度39毫米,其结构符合标准公制规格,可满足多数工业设备对安装尺寸的要求。
该型号采用单列设计,具有中等的载荷承载能力,适用于中等转速及精度要求的应用场景,如泵类设备、传动系统或通用机械结构。其保持架及滚道经常规工艺处理,在普通工况下能提供稳定的运行性能。7315AM型轴承的精度等级属于普通级,常见为P0级,也可根据需求提供P6或P5等级别,以适应不同的运转精度需求。
此类轴承在安装时需注意轴向预紧及配合公差,通常建议在具有较好同轴度的支承结构中使用。其材料及热处理工艺符合通用轴承标准,能够在常见工作温度及清洁环境下保持性能。用户在选择时需结合实际载荷、转速及环境条件进行综合评估。
7
3
1
6
A
M
7:角接触球轴承
3:尺寸系列:中窄 03 系列
16:内径:80 mm
A:接触角 30°
M:机加工黄铜保持架
7:
角接触球轴承
3:
尺寸系列:中窄 03 系列
16:
内径:80 mm
A:
接触角 30°
M:
机加工黄铜保持架
公称型号(按保持器区分) | ||
冲压钢 | 7316AW | |
尼龙 | 7316ATN | |
车削铜 | 7316AM | |
主要尺寸(mm) | ||
内径 | d | 80 |
外径 | D | 170 |
厚度 | B | 39 |
r(min) | 2.1 | |
r1(min) | 1.1 | |
接触角 | ||
α(度) | 30° | |
额定载荷(KN) | ||
动载荷 | Cr(单列) | 147 |
基本额定静载荷 | Cor(单列) | 119 |
系数 | ||
f0 | — | |
限制速度(rpm) | ||
脂润滑 | 2800 | |
油润滑 | 3800 | |
载荷中心(mm) | ||
a(单列) | 55.6 | |
安装尺寸(mm) | ||
da(min) | 92 | |
Da(max) | 158 | |
ra(max) | 2 | |
db(min) | 87 | |
Db(max) | 163 | |
rb(max) | 1 | |
重量(kg) | ||
单列 | 3.71 |

商品 | 品牌 | 主要尺寸 | 发货仓 | 产地 | 库存 | 含税单价 | VIP价 | 操作 |
HRB 7316ACM轴承 角接触球轴承 |
HRB | 80 X 170 X 39 | 华东 | 哈尔滨 | 200 | 311.26 | ¥261.56 | |
KOYO 7316FY轴承 角接触球轴承 |
KOYO | 80 X 170 X 39 | 华北 | 日本 | 1 | 589.93 | ¥453.79 | |
NSK 7316A轴承 单列角接触球轴承 |
NSK | 80 X 170 X 39 | 华东 | 日本 | 7 | 1052.02 | ¥815.52 | |
FAG 7316-XL-MP-UA轴承 单列角接触球轴承 |
FAG | 80 X 170 X 39 | 华南 | 9 | 1308.59 | ¥1118.45 | ||
HRB 7316ACM/P6轴承 角接触球轴承 |
HRB | 80 X 170 X 39 | 华东 | 哈尔滨 | 200 | 462.95 | ¥392.33 | |
篇幅有限,仅显示五条,更多可点击:搜索,或者:深度搜索 |