产品分类

7314BM轴承
类型:【角接触球轴承 - 角接触球轴承】
基本尺寸:内径:70 mm,外径:150 mm,厚度:35 mm。
价格区间:¥182.46 - ¥2443.26【详情】
后缀列表:【B:接触角 40°】【M:机加工黄铜保持架】
7314BM属于角接触球轴承,内径为70毫米,外径为150毫米,厚度为35毫米。该型号轴承设计用于承受联合载荷,具有一定角度的接触结构,适用于较高转速和中等负荷的工况。其精度等级包括普通级(如P0、P6或P5),可满足不同应用对旋转精度和运行稳定性的需求。常见应用领域包括工业传动设备、电机主轴及通用机械部件等。该轴承在安装时需注意配对使用或预紧调整,以确保性能发挥。整体结构紧凑,维护简便,适用于多种工业环境。
7
3
1
4
B
M
7:角接触球轴承
3:尺寸系列:中窄 03 系列
14:内径:70 mm
B:接触角 40°
M:机加工黄铜保持架
7:
角接触球轴承
3:
尺寸系列:中窄 03 系列
14:
内径:70 mm
B:
接触角 40°
M:
机加工黄铜保持架
公称型号(按保持器区分) | ||
冲压钢 | 7314BW | |
尼龙 | 7314BTN | |
车削铜 | 7314BM | |
主要尺寸(mm) | ||
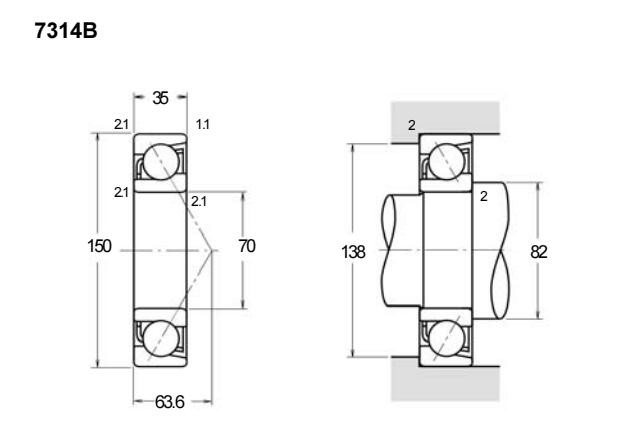
内径 | d | 70 |
外径 | D | 150 |
厚度 | B | 35 |
r(min) | 2.1 | |
r1(min) | 1.1 | |
接触角 | ||
α(度) | 40° | |
额定载荷(KN) | ||
动载荷 | Cr(单列) | 114 |
基本额定静载荷 | Cor(单列) | 86 |
系数 | ||
f0 | — | |
限制速度(rpm) | ||
脂润滑 | 2800 | |
油润滑 | 4000 | |
载荷中心(mm) | ||
a(单列) | 63.6 | |
安装尺寸(mm) | ||
da(min) | 82 | |
Da(max) | 138 | |
ra(max) | 2 | |
db(min) | 77 | |
Db(max) | 143 | |
rb(max) | 1 | |
重量(kg) | ||
单列 | 2.65 |

商品 | 品牌 | 主要尺寸 | 发货仓 | 产地 | 库存 | 含税单价 | VIP价 | 操作 |
HRB 7314BM轴承 角接触球轴承 |
HRB | 70 X 150 X 35 | 华东 | 哈尔滨 | 200 | 208 | ¥182.46 | |
NSK 7314B轴承 单列角接触球轴承 |
NSK | 70 X 150 X 35 | 华东 | 日本 | 6 | 581.34 | ¥505.51 | |
NTN 7314BL1G轴承 角接触球 |
NTN | 70 X 150 X 35 | 华南 | 6 | 914.31 | ¥774.84 | ||
SKF 7314 BECAM轴承 角接触球轴承 |
SKF | 70 X 150 X 35 | 华南 | 20 | 1673.36 | ¥1394.47 | ||
FAG 7314-B-MP轴承 单列角接触球轴承 |
FAG | 70 X 150 X 35 | 华南 | 德国 | 6 | 535.8 | ¥421.89 | |
NSK 7314BG轴承 单列角接触球轴承 |
NSK | 70 X 150 X 35 | 华东 | 日本 | 37 | 1009.76 | ¥841.47 | |