产品分类

7309AW轴承
类型:【角接触球轴承 - 角接触球轴承】
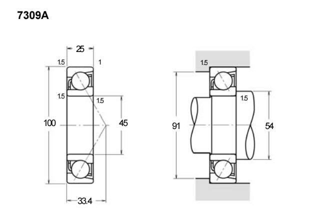
基本尺寸:内径:45 mm,外径:100 mm,厚度:25 mm。
价格区间:¥111.14 - ¥198.56【详情】
后缀列表:【A:接触角 30°】【W:钢板冲压冠形保持架】
7309AW轴承属于角接触球轴承类别,其基本尺寸为内径45mm、外径100mm、厚度25mm。该型号轴承采用单列设计,接触角适中,能够同时承受径向和轴向载荷的组合作用,适用于中等转速和负载条件。
在结构上,7309AW轴承通常采用增强型尼龙保持架,有助于减少摩擦和温升,提升运转平稳性。其内外圈采用优质钢材制造,经热处理和精密磨削,具备较好的耐磨性和尺寸稳定性。该型号多用于工业传动、泵类设备、中小型电机等场合,能够满足一般精度要求下的旋转支撑需求。
需要注意的是,实际应用中需根据具体工况选择合适的预紧力和润滑方式,以确保轴承性能发挥和寿命延长。该型号常见于普通级精度(如P0级),用户可根据需求选择相应公差等级。
7
3
0
9
A
W
7:角接触球轴承
3:尺寸系列:中窄 03 系列
09:内径:45 mm
A:接触角 30°
W:钢板冲压冠形保持架
7:
角接触球轴承
3:
尺寸系列:中窄 03 系列
09:
内径:45 mm
A:
接触角 30°
W:
钢板冲压冠形保持架
公称型号(按保持器区分) | ||
冲压钢 | 7309AW | |
尼龙 | 7309ATN | |
车削铜 | 7309AM | |
主要尺寸(mm) | ||
内径 | d | 45 |
外径 | D | 100 |
厚度 | B | 25 |
r(min) | 1.5 | |
r1(min) | 1 | |
接触角 | ||
α(度) | 30° | |
额定载荷(KN) | ||
动载荷 | Cr(单列) | 63.5 |
基本额定静载荷 | Cor(单列) | 43.5 |
系数 | ||
f0 | — | |
限制速度(rpm) | ||
脂润滑 | 5000 | |
油润滑 | 6700 | |
载荷中心(mm) | ||
a(单列) | 33.4 | |
安装尺寸(mm) | ||
da(min) | 54 | |
Da(max) | 91 | |
ra(max) | 1.5 | |
db(min) | 51 | |
Db(max) | 94 | |
rb(max) | 1 | |
重量(kg) | ||
单列 | 0.848 |

商品 | 品牌 | 主要尺寸 | 发货仓 | 产地 | 库存 | 含税单价 | VIP价 | 操作 |
KOYO 7309轴承 角接触球轴承 |
KOYO | 45 X 100 X 25 | 华南 | 日本 | 1 | 138.58 | ¥114.53 | |
NSK 7309AW轴承 单列角接触球轴承 |
NSK | 45 X 100 X 25 | 华东 | 日本 | 8 | 198.56 | ¥168.27 | |
NTN 7309轴承 角接触球 |
NTN | 45 X 100 X 25 | 华东 | 进口 | 45 | 131.15 | ¥111.14 | |
NSK 7309AW轴承 单列角接触球轴承 |
NSK | 45 X 100 X 25 | 华东 | 日本 | 237 | 167.08 | ¥150.52 | |
NSK 7309AW轴承 单列角接触球轴承 |
NSK | 45 X 100 X 25 | 华东 | 日本 | 148 | 168.63 | ¥147.92 | |
篇幅有限,仅显示五条,更多可点击:搜索,或者:深度搜索 |