产品分类

7307CM轴承
类型:【角接触球轴承 - 角接触球轴承】
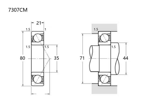
基本尺寸:内径:35 mm,外径:80 mm,厚度:21 mm。
价格区间:¥205.7 - ¥228.33【详情】
后缀列表:【C:接触角 15°】【M:机加工黄铜保持架】
7307CM角接触球轴承内径为35毫米,外径80毫米,厚度21毫米。该轴承属于角接触球轴承类型,设计用于承受径向和轴向联合载荷,接触角参数适应中高速运转条件。其结构特性包括实体黄铜保持架和优化内部几何形状,有助于提升运转平稳性和刚性。
该型号常见于普通精度等级,涵盖P0、P6或P5级别,适用于中等负荷和转速的工业场景。典型应用包括传动系统、电机主轴、泵类设备及通用机械领域,能够支持双向轴向载荷并维持一定的工作精度。
选型时需结合具体工况考虑预紧力、润滑条件及安装配置。该型号轴承在使用中需注意保持适当对中和维护,以发挥其性能特点并延长使用寿命。
7
3
0
7
C
M
7:角接触球轴承
3:尺寸系列:中窄 03 系列
07:内径:35 mm
C:接触角 15°
M:机加工黄铜保持架
7:
角接触球轴承
3:
尺寸系列:中窄 03 系列
07:
内径:35 mm
C:
接触角 15°
M:
机加工黄铜保持架
公称型号(按保持器区分) | ||
冲压钢 | ||
尼龙 | 7307CTN | |
车削铜 | 7307CM | |
主要尺寸(mm) | ||
内径 | d | 35 |
外径 | D | 80 |
厚度 | B | 21 |
r(min) | 1.5 | |
r1(min) | 1 | |
接触角 | ||
α(度) | 15° | |
额定载荷(KN) | ||
动载荷 | Cr(单列) | 37.9 |
基本额定静载荷 | Cor(单列) | 23.6 |
系数 | ||
f0 | 13.4 | |
限制速度(rpm) | ||
脂润滑 | 14000 | |
油润滑 | 19000 | |
载荷中心(mm) | ||
a(单列) | 18.3 | |
安装尺寸(mm) | ||
da(min) | 44 | |
Da(max) | 71 | |
ra(max) | 1.5 | |
db(min) | 41 | |
Db(max) | 74 | |
rb(max) | 1 | |
重量(kg) | ||
单列 | 0.475 |

商品 | 品牌 | 主要尺寸 | 发货仓 | 产地 | 库存 | 含税单价 | VIP价 | 操作 |
NSK 7307C轴承 单列角接触球轴承 |
NSK | 35 X 80 X 21 | 华东 | 日本 | 3 | 228.33 | ¥205.7 | |