产品分类

7300CM轴承
类型:【角接触球轴承 - 角接触球轴承】
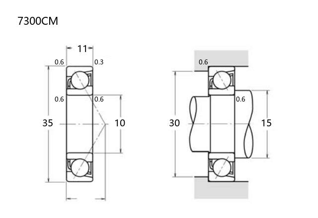
基本尺寸:内径:10 mm,外径:35 mm,厚度:11 mm。
价格区间:¥0 - ¥0【详情】
后缀列表:【C:接触角 15°】【M:实体黄铜保持架】
7300CM属于角接触球轴承系列,其内径为10毫米,外径35毫米,厚度11毫米。该型号轴承设计用于承受径向和轴向联合载荷,适用于中高速运转场合。材料通常采用高碳铬钢,经过标准热处理工艺,具有一定的耐磨性和疲劳寿命。
在应用中,7300CM常见于小型机械设备、精密仪器或电机主轴等场景,能够支持一定的轴向预紧调整。其接触角设计有助于提升刚性,但具体性能需结合实际工况及配套部件综合评估。该轴承符合普通级精度标准,可满足一般工业需求。
维护时需注意润滑清洁,避免过载或安装不当导致的早期失效。建议根据设备制造商指导进行选型和使用,以确保兼容性与可靠性。
7
3
0
0
C
M
7:角接触球轴承
3:尺寸系列:中窄 03 系列
00:内径:10 mm
C:接触角 15°
M:实体黄铜保持架
7:
角接触球轴承
3:
尺寸系列:中窄 03 系列
00:
内径:10 mm
C:
接触角 15°
M:
实体黄铜保持架
公称型号(按保持器区分) | ||
冲压钢 | ||
尼龙 | 7300CTN | |
车削铜 | 7300CM | |
主要尺寸(mm) | ||
内径 | d | 10 |
外径 | D | 35 |
厚度 | B | 11 |
r(min) | 0.6 | |
r1(min) | 0.3 | |
接触角 | ||
α(度) | 15° | |
额定载荷(KN) | ||
动载荷 | Cr(单列) | 9.85 |
基本额定静载荷 | Cor(单列) | 4.6 |
系数 | ||
f0 | ||
限制速度(rpm) | ||
脂润滑 | 36000 | |
油润滑 | 49000 | |
载荷中心(mm) | ||
a(单列) | 8.2 | |
安装尺寸(mm) | ||
da(min) | 15 | |
Da(max) | 30 | |
ra(max) | 0.6 | |
db(min) | 12.5 | |
Db(max) | 32.5 | |
rb(max) | 0.3 | |
重量(kg) | ||
单列 | 0.055 |

商品 | 品牌 | 主要尺寸 | 发货仓 | 产地 | 库存 | 含税单价 | VIP价 | 操作 |