产品分类

7252AM轴承
类型:【角接触球轴承 - 角接触球轴承】
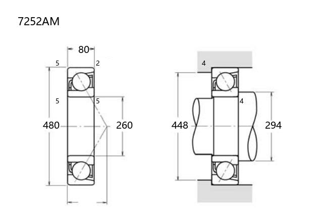
基本尺寸:内径:260 mm,外径:480 mm,厚度:80 mm。
价格区间:¥0 - ¥0【详情】
后缀列表:【A:接触角 30°】【M:实体黄铜保持架】
7252AM角接触球轴承的内径为260mm,外径480mm,厚度80mm,属于中等尺寸规格。该型号采用角接触设计,能够同时承受径向和轴向载荷,适用于中高转速工况。其接触角经过优化,可在多个方向上提供稳定的支撑性能。
该轴承属于普通精度等级,涵盖P0、P6、P5级别,可满足一般工业应用对精度和刚度的基础需求。结构上通常采用实体保持架设计,有助于在运转过程中保持稳定性和较低的温升。
此类轴承常见于中型工业设备中,例如通用传动系统、泵类设备或中型电机支撑部位。安装时需注意调整预紧力,以保证合适的游隙和运行精度。在使用过程中需配合适当的润滑方式,以延长使用寿命并维持性能稳定性。
由于规格较为常见,该型号在维护和替换方面具有较好的便利性。实际选用时需结合具体设备的载荷条件、转速要求及安装空间进行综合考量。
7
2
5
2
A
M
7:角接触球轴承
2:尺寸系列:轻窄 02 系列
52:内径:260 mm
A:接触角 30°
M:实体黄铜保持架
7:
角接触球轴承
2:
尺寸系列:轻窄 02 系列
52:
内径:260 mm
A:
接触角 30°
M:
实体黄铜保持架
公称型号(按保持器区分) | ||
冲压钢 | ||
尼龙 | 7252ATN | |
车削铜 | 7252AM | |
主要尺寸(mm) | ||
内径 | d | 260 |
外径 | D | 480 |
厚度 | B | 80 |
r(min) | 5 | |
r1(min) | 2 | |
接触角 | ||
α(度) | 30° | |
额定载荷(KN) | ||
动载荷 | Cr(单列) | 480 |
基本额定静载荷 | Cor(单列) | 750 |
系数 | ||
f0 | — | |
限制速度(rpm) | ||
脂润滑 | ||
油润滑 | ||
载荷中心(mm) | ||
a(单列) | 146.8 | |
安装尺寸(mm) | ||
da(min) | 294 | |
Da(max) | 448 | |
ra(max) | 4 | |
db(min) | — | |
Db(max) | 460 | |
rb(max) | 2 | |
重量(kg) | ||
单列 | 65.3 |

商品 | 品牌 | 主要尺寸 | 发货仓 | 产地 | 库存 | 含税单价 | VIP价 | 操作 |