产品分类

7248AM轴承
类型:【角接触球轴承 - 角接触球轴承】
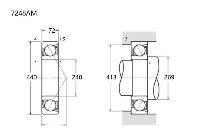
基本尺寸:内径:240 mm,外径:440 mm,厚度:72 mm。
价格区间:¥0 - ¥0【详情】
后缀列表:【A:接触角 30°】【M:实体黄铜保持架】
7248AM角接触球轴承的内径为240毫米,外径为440毫米,厚度为72毫米。该型号属于角接触球轴承类别,设计用于同时承受径向和轴向载荷,适用于中高速运转场合。其接触角结构有助于提升轴向刚性,常见于需要较高旋转精度的设备中。
该轴承通常采用普通精度等级,如P0、P6或P5级,能够满足多数工业应用的基本需求。其尺寸规格适用于中型至大型机械装置,例如工业传动系统、通用电机或泵类设备。在安装时需注意载荷方向及配对配置,以确保性能发挥。
保持架材料及润滑方式可根据实际工况选择,以适应不同运行环境。在使用过程中需定期维护,检查磨损情况并保持润滑,以延长使用寿命。该型号轴承具有较好的通用性,但其具体性能需结合应用场景及配置条件综合评估。
7
2
4
8
A
M
7:角接触球轴承
2:尺寸系列:轻窄 02 系列
48:内径:240 mm
A:接触角 30°
M:实体黄铜保持架
7:
角接触球轴承
2:
尺寸系列:轻窄 02 系列
48:
内径:240 mm
A:
接触角 30°
M:
实体黄铜保持架
公称型号(按保持器区分) | ||
冲压钢 | ||
尼龙 | 7248ATN | |
车削铜 | 7248AM | |
主要尺寸(mm) | ||
内径 | d | 240 |
外径 | D | 440 |
厚度 | B | 72 |
r(min) | 4 | |
r1(min) | 1.5 | |
接触角 | ||
α(度) | 30° | |
额定载荷(KN) | ||
动载荷 | Cr(单列) | 435 |
基本额定静载荷 | Cor(单列) | 665 |
系数 | ||
f0 | — | |
限制速度(rpm) | ||
脂润滑 | 1500 | |
油润滑 | 1800 | |
载荷中心(mm) | ||
a(单列) | 134.1 | |
安装尺寸(mm) | ||
da(min) | 269 | |
Da(max) | 413 | |
ra(max) | 3 | |
db(min) | — | |
Db(max) | 422 | |
rb(max) | 1.5 | |
重量(kg) | ||
单列 | 50.9 |

商品 | 品牌 | 主要尺寸 | 发货仓 | 产地 | 库存 | 含税单价 | VIP价 | 操作 |