产品分类

7240BTN轴承
类型:【角接触球轴承 - 角接触球轴承】
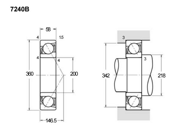
基本尺寸:内径:200 mm,外径:360 mm,厚度:58 mm。
价格区间:¥0 - ¥0【详情】
后缀列表:【B:接触角 40°】【TN:尼龙聚酰胺树脂保持架】
7240BTN属于角接触球轴承系列,其内径为200mm,外径360mm,厚度58mm。该型号设计用于承受径向和轴向的联合载荷,适用于中高速运转场合。通常采用增强型结构,能够提供较高的刚性和精度,满足普通级精度要求,涵盖P0、P6和P5等级别。
角接触球轴承的接触角设计使得它在支撑轴向力时表现出色,常见于工业传动、泵类设备及部分通用机械中。该型号的尺寸适中,便于在中等负荷条件下实现稳定运行,同时具备一定的调心能力,适应轻微的安装偏差。
在选型时需结合具体工况考虑负载方向、转速及环境条件。维护中应注意润滑和安装精度,以延长使用寿命。该型号轴承在多个行业中有广泛应用,性能平衡,是较为常见的选择之一。
7
2
4
0
B
T
N
7:角接触球轴承
2:尺寸系列:轻窄 02 系列
40:内径:200 mm
B:接触角 40°
TN:尼龙聚酰胺树脂保持架
7:
角接触球轴承
2:
尺寸系列:轻窄 02 系列
40:
内径:200 mm
B:
接触角 40°
TN:
尼龙聚酰胺树脂保持架
公称型号(按保持器区分) | ||
冲压钢 | 7240BW | |
尼龙 | 7240BTN | |
车削铜 | 7240BM | |
主要尺寸(mm) | ||
内径 | d | 200 |
外径 | D | 360 |
厚度 | B | 58 |
r(min) | 4 | |
r1(min) | 1.5 | |
接触角 | ||
α(度) | 40° | |
额定载荷(KN) | ||
动载荷 | Cr(单列) | 305 |
基本额定静载荷 | Cor(单列) | 410 |
系数 | ||
f0 | — | |
限制速度(rpm) | ||
脂润滑 | 1300 | |
油润滑 | 1800 | |
载荷中心(mm) | ||
a(单列) | 146.5 | |
安装尺寸(mm) | ||
da(min) | 218 | |
Da(max) | 342 | |
ra(max) | 3 | |
db(min) | — | |
Db(max) | 351 | |
rb(max) | 1.5 | |
重量(kg) | ||
单列 | 26.6 |

商品 | 品牌 | 主要尺寸 | 发货仓 | 产地 | 库存 | 含税单价 | VIP价 | 操作 |