产品分类

7221BM轴承
类型:【角接触球轴承 - 角接触球轴承】
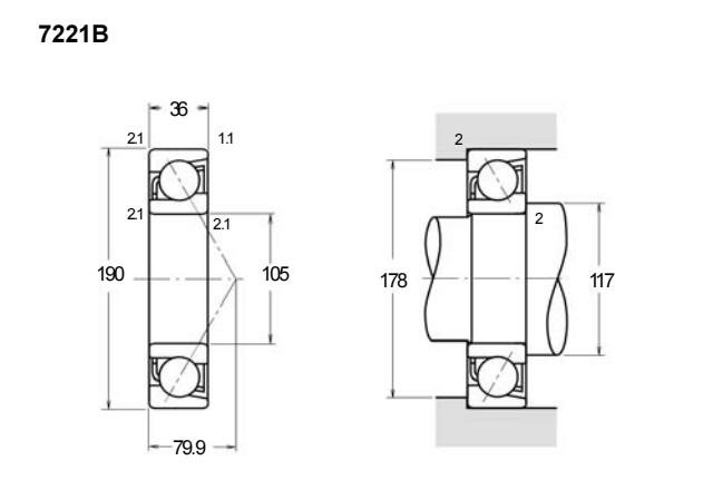
基本尺寸:内径:105 mm,外径:190 mm,厚度:36 mm。
价格区间:¥832.81 - ¥2886.18【详情】
后缀列表:【B:接触角 40°】【M:机加工黄铜保持架】
7221BM角接触球轴承内径为105mm,外径190mm,厚度36mm,属于角接触球轴承类别中的单列普通精度等级产品。该轴承设计适用于同时承受径向和轴向联合载荷的工况,接触角的存在提升了轴向负荷能力。其结构特点包括实体黄铜保持架和优化设计的滚道几何形状,有助于提高运转稳定性和使用寿命。
该型号常见于中等转速及载荷的应用场景,如工业传动系统、通用机床主轴支撑或泵类设备。普通精度等级表明其制造标准符合常规工业需求,能够满足大多数通用机械对轴承性能的基本要求。安装时需注意角接触轴承通常需要成对使用并进行预紧调整,以确保最佳性能表现。
轴承材料的选用和热处理工艺均遵循行业规范,在正常工况条件下可保持可靠的运行特性。用户在选型时仍需结合具体应用条件确认负荷容量和转速限制等参数,建议参考制造商提供的技术资料进行最终确认。
7
2
2
1
B
M
7:角接触球轴承
2:尺寸系列:轻窄 02 系列
21:内径:105 mm
B:接触角 40°
M:机加工黄铜保持架
7:
角接触球轴承
2:
尺寸系列:轻窄 02 系列
21:
内径:105 mm
B:
接触角 40°
M:
机加工黄铜保持架
公称型号(按保持器区分) | ||
冲压钢 | 7221BW | |
尼龙 | 7221BTN | |
车削铜 | 7221BM | |
主要尺寸(mm) | ||
内径 | d | 105 |
外径 | D | 190 |
厚度 | B | 36 |
r(min) | 2.1 | |
r1(min) | 1.1 | |
接触角 | ||
α(度) | 40° | |
额定载荷(KN) | ||
动载荷 | Cr(单列) | 142 |
基本额定静载荷 | Cor(单列) | 129 |
系数 | ||
f0 | — | |
限制速度(rpm) | ||
脂润滑 | 2200 | |
油润滑 | 3000 | |
载荷中心(mm) | ||
a(单列) | 79.9 | |
安装尺寸(mm) | ||
da(min) | 117 | |
Da(max) | 178 | |
ra(max) | 2 | |
db(min) | 112 | |
Db(max) | 183 | |
rb(max) | 1 | |
重量(kg) | ||
单列 | 3.92 |

商品 | 品牌 | 主要尺寸 | 发货仓 | 产地 | 库存 | 含税单价 | VIP价 | 操作 |
NSK 7221B轴承 单列角接触球轴承 |
NSK | 105 X 190 X 36 | 华东 | 日本 | 3 | 1479.42 | ¥1155.8 | |
SKF 7221 BECBM轴承 角接触球轴承 |
SKF | 105 X 190 X 36 | 华北 | 奥地利 | 260 | 1787.99 | ¥1541.37 | |
FAG 7221-B-MP轴承 单列角接触球轴承 |
FAG | 105 X 190 X 36 | 海外 | 14 | 2886.18 | ¥2425.36 | ||
NSK 7221B轴承 单列角接触球轴承 |
NSK | 105 X 190 X 36 | 华东 | 日本 | 3 | 1467.87 | ¥1155.8 | |
FAG 7221-B-MP-UA轴承 单列角接触球轴承 |
FAG | 105 X 190 X 36 | 西北 | 59 | 1119.55 | ¥874.65 | ||
篇幅有限,仅显示五条,更多可点击:搜索,或者:深度搜索 |