产品分类

7221AM轴承
类型:【角接触球轴承 - 角接触球轴承】
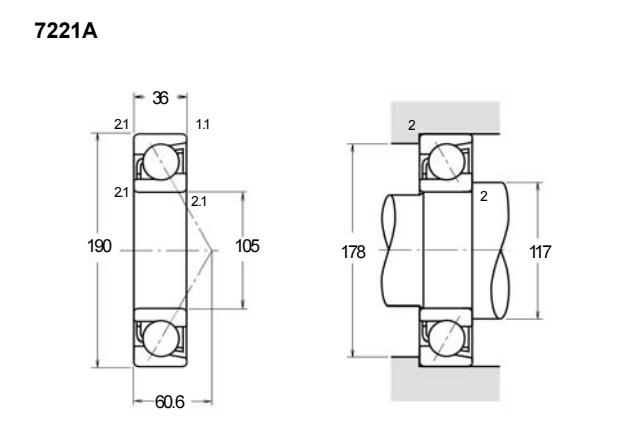
基本尺寸:内径:105 mm,外径:190 mm,厚度:36 mm。
价格区间:¥276.44 - ¥489.29【详情】
后缀列表:【A:接触角 30°】【M:机加工黄铜保持架】
7221AM是一款公制尺寸的单列角接触球轴承,内径为105毫米,外径190毫米,厚度36毫米。该轴承属于角接触球轴承类别,设计用于同时承受径向和轴向载荷,接触角结构使其适用于较高转速和复合负载工况。
这类轴承常见于普通精度等级,涵盖P0、P6或P5级别,能够满足一般工业应用对运行平稳性和刚性需求。其结构通常包含实体外圈、内圈及钢球和保持架组件,AM后缀可能表示特定的设计或材质细节,具体需参考制造商技术资料。
典型应用包括中型电机、泵类设备、传动系统及通用机械领域,安装时需注意配置方式以优化载荷分布。使用中需配合适当的润滑和维护,以保障性能与使用寿命。实际选型应结合工况负载、转速及环境条件综合评估。
7
2
2
1
A
M
7:角接触球轴承
2:尺寸系列:轻窄 02 系列
21:内径:105 mm
A:接触角 30°
M:机加工黄铜保持架
7:
角接触球轴承
2:
尺寸系列:轻窄 02 系列
21:
内径:105 mm
A:
接触角 30°
M:
机加工黄铜保持架
公称型号(按保持器区分) | ||
冲压钢 | 7221AW | |
尼龙 | 7221ATN | |
车削铜 | 7221AM | |
主要尺寸(mm) | ||
内径 | d | 105 |
外径 | D | 190 |
厚度 | B | 36 |
r(min) | 2.1 | |
r1(min) | 1.1 | |
接触角 | ||
α(度) | 30° | |
额定载荷(KN) | ||
动载荷 | Cr(单列) | 157 |
基本额定静载荷 | Cor(单列) | 142 |
系数 | ||
f0 | — | |
限制速度(rpm) | ||
脂润滑 | 3000 | |
油润滑 | 4000 | |
载荷中心(mm) | ||
a(单列) | 60.6 | |
安装尺寸(mm) | ||
da(min) | 117 | |
Da(max) | 178 | |
ra(max) | 2 | |
db(min) | 112 | |
Db(max) | 183 | |
rb(max) | 1 | |
重量(kg) | ||
单列 | 3.84 |

商品 | 品牌 | 主要尺寸 | 发货仓 | 产地 | 库存 | 含税单价 | VIP价 | 操作 |
HRB 7221ACM轴承 角接触球轴承 |
HRB | 105 X 190 X 36 | 华东 | 哈尔滨 | 200 | 356.61 | ¥276.44 | |
HRB 7221ACM/P6轴承 角接触球轴承 |
HRB | 105 X 190 X 36 | 华东 | 哈尔滨 | 200 | 489.29 | ¥414.65 | |