产品分类

7216BW轴承
类型:【角接触球轴承 - 角接触球轴承】
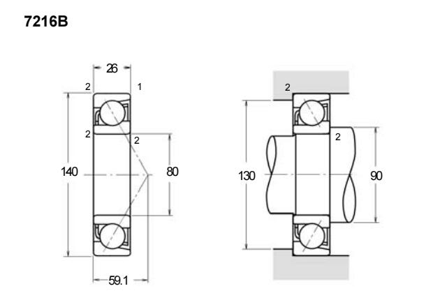
基本尺寸:内径:80 mm,外径:140 mm,厚度:26 mm。
价格区间:¥169.79 - ¥2454.07【详情】
后缀列表:【B:接触角 40°】【W:钢板冲压冠形保持架】
7216BW属于角接触球轴承系列,其内径为80mm,外径140mm,厚度26mm。该型号采用单列设计,能够同时承受径向和轴向载荷,适用于中等转速和中等负荷的应用场合。接触角设计使其在轴向承载方面表现稳定,常用于需要双向轴向支撑的结构中。
此类轴承通常符合普通级精度,如P0、P6或P5等级,适用于一般工业环境。在安装时需注意配对使用或预紧调整,以确保性能发挥。其结构紧凑,广泛应用于电机、泵类、传动系统及通用机械中,具有良好的运转平稳性和可靠性。
使用时需根据实际工况选择合适的润滑方式和维护周期,以延长使用寿命。在高速或高精度应用中,建议结合具体需求进行选型评估。
7
2
1
6
B
W
7:角接触球轴承
2:尺寸系列:轻窄 02 系列
16:内径:80 mm
B:接触角 40°
W:钢板冲压冠形保持架
7:
角接触球轴承
2:
尺寸系列:轻窄 02 系列
16:
内径:80 mm
B:
接触角 40°
W:
钢板冲压冠形保持架
公称型号(按保持器区分) | ||
冲压钢 | 7216BW | |
尼龙 | 7216BTN | |
车削铜 | 7216BM | |
主要尺寸(mm) | ||
内径 | d | 80 |
外径 | D | 140 |
厚度 | B | 26 |
r(min) | 2 | |
r1(min) | 1 | |
接触角 | ||
α(度) | 40° | |
额定载荷(KN) | ||
动载荷 | Cr(单列) | 80.5 |
基本额定静载荷 | Cor(单列) | 69.5 |
系数 | ||
f0 | — | |
限制速度(rpm) | ||
脂润滑 | 2800 | |
油润滑 | 4000 | |
载荷中心(mm) | ||
a(单列) | 59.1 | |
安装尺寸(mm) | ||
da(min) | 90 | |
Da(max) | 130 | |
ra(max) | 2 | |
db(min) | 86 | |
Db(max) | 134 | |
rb(max) | 1 | |
重量(kg) | ||
单列 | 1.49 |

商品 | 品牌 | 主要尺寸 | 发货仓 | 产地 | 库存 | 含税单价 | VIP价 | 操作 |
KOYO 7216B轴承 角接触球轴承 |
KOYO | 80 X 140 X 26 | 华东 | 日本 | 100 | 212.24 | ¥169.79 | |
NSK 7216BW轴承 单列角接触球轴承 |
NSK | 80 X 140 X 26 | 华东 | 日本 | 14 | 344.65 | ¥282.5 | |
NTN 7216B轴承 角接触球 |
NTN | 80 X 140 X 26 | 华东 | 日本 | 60 | 264.83 | ¥218.87 | |
NSK 7216BWG轴承 单列角接触球轴承 |
NSK | 80 X 140 X 26 | 华东 | 日本 | 54 | 452.44 | ¥356.25 | |
SKF 7216 BECBJ轴承 角接触球轴承 |
SKF | 80 X 140 X 26 | 华东 | 奥地利 | 46 | 838.8 | ¥704.87 | |
FAG 7216B.JP轴承 单列角接触球轴承 |
FAG | 80 X 140 X 26 | 华南 | 14 | 519.36 | ¥432.8 | ||