产品分类

7208AM轴承
类型:【角接触球轴承 - 角接触球轴承】
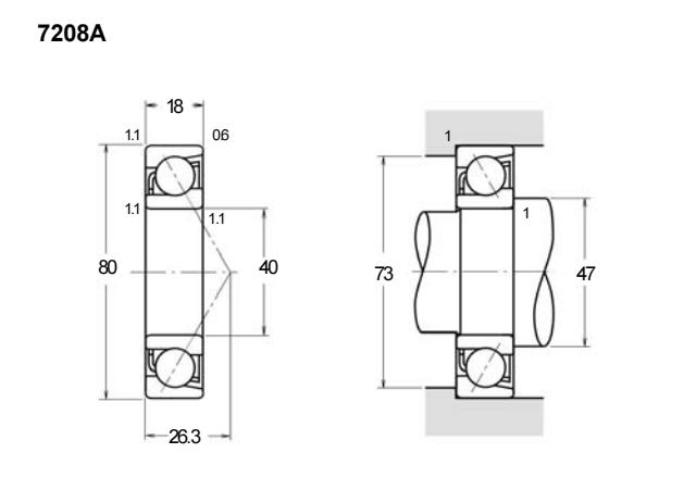
基本尺寸:内径:40 mm,外径:80 mm,厚度:18 mm。
价格区间:¥41.2 - ¥244.21【详情】
后缀列表:【A:接触角 30°】【M:机加工黄铜保持架】
7208AM属于角接触球轴承系列,内径40毫米,外径80毫米,厚度18毫米,符合标准公制尺寸规格。该轴承设计用于承受径向和轴向联合载荷,适用于中高速运转场合。其接触角结构能够提供较好的刚性,常见于需要一定精度和负载能力的机械设备中。
7208AM通常采用普通级精度,涵盖P0、P6或P5等级别,具体选用取决于应用需求。这类轴承在安装时需注意配置方式,如成对使用可增强承载性能。它广泛应用于电机、泵类、传动系统及一般工业机械中,能够适应中等负荷和转速条件。
使用过程中需确保适当润滑和维护,以延长轴承寿命。其材料和热处理工艺均遵循行业标准,平衡了耐磨性和疲劳强度。在选择时,建议结合实际工况确认具体精度等级和配置要求,以达到最佳匹配效果。
7
2
0
8
A
M
7:角接触球轴承
2:尺寸系列:轻窄 02 系列
08:内径:40 mm
A:接触角 30°
M:机加工黄铜保持架
7:
角接触球轴承
2:
尺寸系列:轻窄 02 系列
08:
内径:40 mm
A:
接触角 30°
M:
机加工黄铜保持架
公称型号(按保持器区分) | ||
冲压钢 | 7208AW | |
尼龙 | 7208ATN | |
车削铜 | 7208AM | |
主要尺寸(mm) | ||
内径 | d | 40 |
外径 | D | 80 |
厚度 | B | 18 |
r(min) | 1.1 | |
r1(min) | 0.6 | |
接触角 | ||
α(度) | 30° | |
额定载荷(KN) | ||
动载荷 | Cr(单列) | 35.5 |
基本额定静载荷 | Cor(单列) | 25.1 |
系数 | ||
f0 | — | |
限制速度(rpm) | ||
脂润滑 | 7500 | |
油润滑 | 10000 | |
载荷中心(mm) | ||
a(单列) | 26.3 | |
安装尺寸(mm) | ||
da(min) | 47 | |
Da(max) | 73 | |
ra(max) | 1 | |
db(min) | 45 | |
Db(max) | 75 | |
rb(max) | 0.6 | |
重量(kg) | ||
单列 | 0.375 |

商品 | 品牌 | 主要尺寸 | 发货仓 | 产地 | 库存 | 含税单价 | VIP价 | 操作 |
HRB 7208ACM轴承 角接触球轴承 |
HRB | 40 X 80 X 18 | 华东 | 哈尔滨 | 200 | 53.56 | ¥41.2 | |
NSK 7208A轴承 单列角接触球轴承 |
NSK | 40 X 80 X 18 | 华东 | 日本 | 31 | 244.21 | ¥195.37 | |
HRB 7208ACM/P6轴承 角接触球轴承 |
HRB | 40 X 80 X 18 | 华东 | 哈尔滨 | 200 | 69.82 | ¥61.79 | |
NSK 7208C轴承 单列角接触球轴承 |
NSK | 40 X 80 X 18 | 华东 | 日本 | 1 | 152.54 | ¥138.67 | |
NSK 7208C轴承 单列角接触球轴承 |
NSK | 40 X 80 X 18 | 华东 | 日本 | 1 | 173.34 | ¥138.67 | |
篇幅有限,仅显示五条,更多可点击:搜索,或者:深度搜索 |