产品分类

7205AM轴承
类型:【角接触球轴承 - 角接触球轴承】
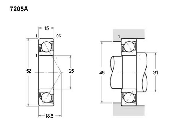
基本尺寸:内径:25 mm,外径:52 mm,厚度:15 mm。
价格区间:¥103.87 - ¥115.3【详情】
后缀列表:【A:接触角 30°】【M:机加工黄铜保持架】
7205AM角接触球轴承内径为25毫米,外径52毫米,厚度15毫米。该型号属于角接触球轴承类别,设计用于同时承受径向和轴向载荷,适用于中等转速及较高精度的应用场景。其接触角结构有助于提升轴向刚性,常见于各类传动系统或精密机械设备中。
该轴承采用普通精度等级,涵盖P0、P6或P5级别,能够满足多数工业场景对运转平稳性与基本精度要求。保持架通常为冲压钢或工程塑料材质,兼顾轻量化和耐磨性。安装时需注意角接触轴承的配置方式,以保证载荷方向与设计一致。
7205AM型号多见于泵类、电机或小型齿轮箱等设备,建议在常规工况下使用。用户需根据实际载荷、转速及环境条件选择适配的润滑方案与配合公差,定期维护可延长使用寿命。
7
2
0
5
A
M
7:角接触球轴承
2:尺寸系列:轻窄 02 系列
05:内径:25 mm
A:接触角 30°
M:机加工黄铜保持架
7:
角接触球轴承
2:
尺寸系列:轻窄 02 系列
05:
内径:25 mm
A:
接触角 30°
M:
机加工黄铜保持架
公称型号(按保持器区分) | ||
冲压钢 | 7205AW | |
尼龙 | 7205ATN | |
车削铜 | 7205AM | |
主要尺寸(mm) | ||
内径 | d | 25 |
外径 | D | 52 |
厚度 | B | 15 |
r(min) | 1 | |
r1(min) | 0.6 | |
接触角 | ||
α(度) | 30° | |
额定载荷(KN) | ||
动载荷 | Cr(单列) | 16.2 |
基本额定静载荷 | Cor(单列) | 10.3 |
系数 | ||
f0 | — | |
限制速度(rpm) | ||
脂润滑 | 12000 | |
油润滑 | 16000 | |
载荷中心(mm) | ||
a(单列) | 18.6 | |
安装尺寸(mm) | ||
da(min) | 31 | |
Da(max) | 46 | |
ra(max) | 1 | |
db(min) | 30 | |
Db(max) | 47 | |
rb(max) | 0.6 | |
重量(kg) | ||
单列 | 0.13 |

商品 | 品牌 | 主要尺寸 | 发货仓 | 产地 | 库存 | 含税单价 | VIP价 | 操作 |
NSK 7205A轴承 单列角接触球轴承 |
NSK | 25 X 52 X 15 | 华东 | 日本 | 9 | 115.3 | ¥103.87 | |