产品分类

7088AM轴承
类型:【角接触球轴承 - 角接触球轴承】
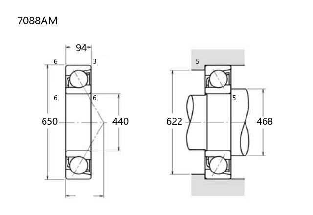
基本尺寸:内径:440 mm,外径:650 mm,厚度:94 mm。
价格区间:¥0 - ¥0【详情】
后缀列表:【A:接触角 30°】【M:实体黄铜保持架】
7088AM型角接触球轴承的内径尺寸为440毫米,外径尺寸为650毫米,厚度为94毫米,属于中大型轴承规格。该型号轴承采用角接触设计,能够同时承受径向和轴向联合载荷,接触角的设计使其具备较好的轴向承载能力,适用于复合载荷工况。
该轴承属于普通精度等级产品,可对应P0、P6或P5级别的精度要求,在常规工业应用中具有广泛的适用性。其结构通常包含实体外圈、内圈以及钢球和保持架组件,部分设计可能带有防尘盖或密封结构,以增强在多种环境下的适应性。
此类轴承常见于中等转速的应用场景,如大型电机、传动装置、通用机械设备和部分工业传动系统。在实际使用中需注意安装对中和润滑条件,以保证性能发挥和延长使用寿命。选型时需结合具体载荷、转速及精度要求进行综合评估。
7
0
8
8
A
M
7:角接触球轴承
0:尺寸系列:超轻 10 系列
88:内径:440 mm
A:接触角 30°
M:实体黄铜保持架
7:
角接触球轴承
0:
尺寸系列:超轻 10 系列
88:
内径:440 mm
A:
接触角 30°
M:
实体黄铜保持架
公称型号(按保持器区分) | ||
冲压钢 | ||
尼龙 | 7088ATN | |
车削铜 | 7088AM | |
主要尺寸(mm) | ||
内径 | d | 440 |
外径 | D | 650 |
厚度 | B | 94 |
r(min) | 6 | |
r1(min) | 3 | |
接触角 | ||
α(度) | 30° | |
额定载荷(KN) | ||
动载荷 | Cr(单列) | 645 |
基本额定静载荷 | Cor(单列) | 1310 |
系数 | ||
f0 | — | |
限制速度(rpm) | ||
脂润滑 | ||
油润滑 | ||
载荷中心(mm) | ||
a(单列) | 204.5 | |
安装尺寸(mm) | ||
da(min) | 468 | |
Da(max) | 622 | |
ra(max) | 5 | |
db(min) | ||
Db(max) | ||
rb(max) | 2.5 | |
重量(kg) | ||
单列 | 103 |

商品 | 品牌 | 主要尺寸 | 发货仓 | 产地 | 库存 | 含税单价 | VIP价 | 操作 |