产品分类

7084BM轴承
类型:【角接触球轴承 - 角接触球轴承】
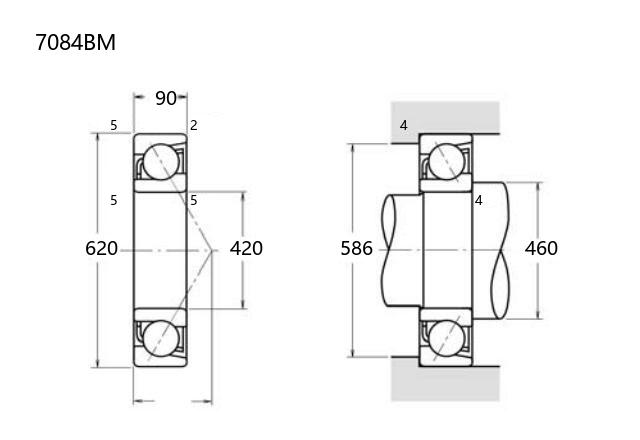
基本尺寸:内径:420 mm,外径:620 mm,厚度:90 mm。
价格区间:¥0 - ¥0【详情】
后缀列表:【B:接触角 40°】【M:实体黄铜保持架】
7084BM角接触球轴承属于角接触球轴承类别中的单个普通级产品,常见精度等级包括P0、P6或P5级。其基本尺寸为内径420mm、外径620mm、厚度90mm,适用于中大型机械结构。角接触球轴承的设计允许同时承受径向和轴向载荷,接触角的存在使得轴承在高速运转条件下具备较好的刚性。
该型号轴承通常用于工业设备中需要较高负载能力和一定转速要求的场合,例如大型电机、传动装置或专用机械部件。普通精度级别能够满足多数常规应用需求,用户在选型时需结合具体负载条件、转速范围及安装环境进行综合评估。轴承的保持架及材料设计可能因制造商而略有差异,建议参考具体技术资料以确认详细参数。
使用过程中需注意保持润滑状态并避免超载运行,以延长轴承寿命。正确安装和维护有助于发挥其性能特点,适应多种工业场景下的运行要求。
7
0
8
4
B
M
7:角接触球轴承
0:尺寸系列:超轻 10 系列
84:内径:420 mm
B:接触角 40°
M:实体黄铜保持架
7:
角接触球轴承
0:
尺寸系列:超轻 10 系列
84:
内径:420 mm
B:
接触角 40°
M:
实体黄铜保持架
公称型号(按保持器区分) | ||
冲压钢 | ||
尼龙 | 7084BTN | |
车削铜 | 7084BM | |
主要尺寸(mm) | ||
内径 | d | 420 |
外径 | D | 620 |
厚度 | B | 90 |
r(min) | 5 | |
r1(min) | 2 | |
接触角 | ||
α(度) | 40° | |
额定载荷(KN) | ||
动载荷 | Cr(单列) | 550 |
基本额定静载荷 | Cor(单列) | 1070 |
系数 | ||
f0 | — | |
限制速度(rpm) | ||
脂润滑 | ||
油润滑 | ||
载荷中心(mm) | ||
a(单列) | 263.2 | |
安装尺寸(mm) | ||
da(min) | 460 | |
Da(max) | 586 | |
ra(max) | 4 | |
db(min) | — | |
Db(max) | 597 | |
rb(max) | 2 | |
重量(kg) | ||
单列 | 90.6 |

商品 | 品牌 | 主要尺寸 | 发货仓 | 产地 | 库存 | 含税单价 | VIP价 | 操作 |