产品分类

7084AM轴承
类型:【角接触球轴承 - 角接触球轴承】
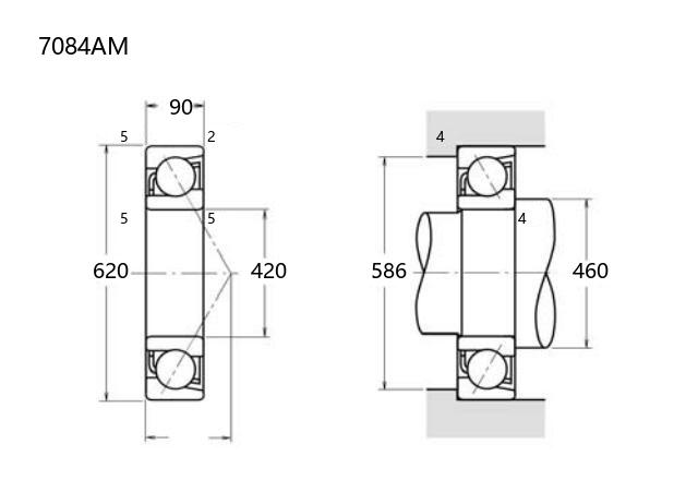
基本尺寸:内径:420 mm,外径:620 mm,厚度:90 mm。
价格区间:¥0 - ¥0【详情】
后缀列表:【A:接触角 30°】【M:实体黄铜保持架】
7084AM型角接触球轴承的内径尺寸为420毫米,外径尺寸为620毫米,厚度为90毫米,属于中大型轴承规格。该型号采用角接触结构设计,能够同时承受径向和轴向复合载荷,适用于中高速运转工况。其接触角设计提供了较好的轴向刚性,常见于需要支撑双向轴向力的设备中。
该轴承符合普通级精度标准,可满足大多数工业应用对运转精度与可靠性的基本需求。在安装时需注意配置预紧力,以保证载荷分布的均匀性。典型应用领域包括大型传动装置、重型旋转设备和部分工业机械的支撑结构。
保持架结构与材料根据具体工况进行调整,以确保运转平稳性。使用过程中需定期补充润滑剂,并注意避免过载运行或异常冲击。轴承的实际性能会受到配合公差、安装质量及工作环境等多重因素影响。
7
0
8
4
A
M
7:角接触球轴承
0:尺寸系列:超轻 10 系列
84:内径:420 mm
A:接触角 30°
M:实体黄铜保持架
7:
角接触球轴承
0:
尺寸系列:超轻 10 系列
84:
内径:420 mm
A:
接触角 30°
M:
实体黄铜保持架
公称型号(按保持器区分) | ||
冲压钢 | ||
尼龙 | 7084ATN | |
车削铜 | 7084AM | |
主要尺寸(mm) | ||
内径 | d | 420 |
外径 | D | 620 |
厚度 | B | 90 |
r(min) | 5 | |
r1(min) | 2 | |
接触角 | ||
α(度) | 30° | |
额定载荷(KN) | ||
动载荷 | Cr(单列) | 610 |
基本额定静载荷 | Cor(单列) | 1190 |
系数 | ||
f0 | — | |
限制速度(rpm) | ||
脂润滑 | ||
油润滑 | ||
载荷中心(mm) | ||
a(单列) | 195.1 | |
安装尺寸(mm) | ||
da(min) | 460 | |
Da(max) | 586 | |
ra(max) | 4 | |
db(min) | — | |
Db(max) | 597 | |
rb(max) | 2 | |
重量(kg) | ||
单列 | 90.3 |

商品 | 品牌 | 主要尺寸 | 发货仓 | 产地 | 库存 | 含税单价 | VIP价 | 操作 |