产品分类

7080BM轴承
类型:【角接触球轴承 - 角接触球轴承】
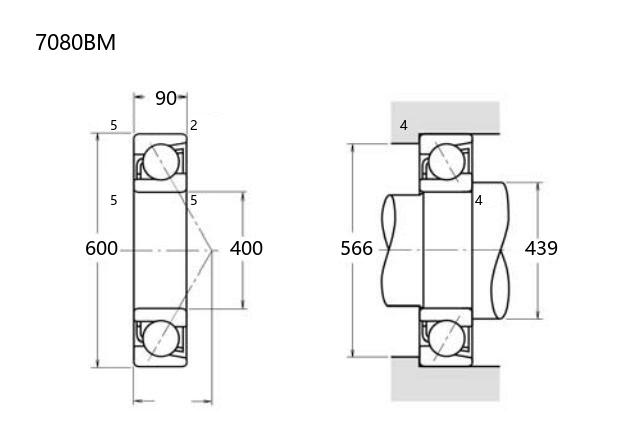
基本尺寸:内径:400 mm,外径:600 mm,厚度:90 mm。
价格区间:¥0 - ¥0【详情】
后缀列表:【B:接触角 40°】【M:实体黄铜保持架】
7080BM轴承属于角接触球轴承系列,其内径为400mm,外径为600mm,厚度为90mm,尺寸规格符合常见的工业应用需求。该型号轴承设计用于承受径向和轴向联合载荷,接触角结构使其在高速运转条件下表现稳定,适用于中等负荷和高转速的工作环境。
在分类上,7080BM属于普通精度等级,涵盖P0、P6或P5级别,能够满足一般工业设备的精度要求。这类轴承常见于中型机械设备、传动系统或旋转支撑部位,例如风机主轴、泵类设备或通用传动装置中,提供可靠的旋转支撑和负载能力。
轴承采用半开放式或密封设计变体,可根据实际应用环境选择适配的配置,以平衡使用寿命和维护需求。其材料通常为高碳铬钢,经过适当热处理以提高耐磨性和疲劳强度。在选择时需结合具体工况考虑负载、转速及安装条件,以确保兼容性和性能发挥。
7
0
8
0
B
M
7:角接触球轴承
0:尺寸系列:超轻 10 系列
80:内径:400 mm
B:接触角 40°
M:实体黄铜保持架
7:
角接触球轴承
0:
尺寸系列:超轻 10 系列
80:
内径:400 mm
B:
接触角 40°
M:
实体黄铜保持架
公称型号(按保持器区分) | ||
冲压钢 | ||
尼龙 | 7080BTN | |
车削铜 | 7080BM | |
主要尺寸(mm) | ||
内径 | d | 400 |
外径 | D | 600 |
厚度 | B | 90 |
r(min) | 5 | |
r1(min) | 2 | |
接触角 | ||
α(度) | 40° | |
额定载荷(KN) | ||
动载荷 | Cr(单列) | 500 |
基本额定静载荷 | Cor(单列) | 915 |
系数 | ||
f0 | — | |
限制速度(rpm) | ||
脂润滑 | ||
油润滑 | ||
载荷中心(mm) | ||
a(单列) | 254.8 | |
安装尺寸(mm) | ||
da(min) | 439 | |
Da(max) | 566 | |
ra(max) | 4 | |
db(min) | — | |
Db(max) | 578 | |
rb(max) | 2 | |
重量(kg) | ||
单列 | 86.2 |

商品 | 品牌 | 主要尺寸 | 发货仓 | 产地 | 库存 | 含税单价 | VIP价 | 操作 |