产品分类

7064AM轴承
类型:【角接触球轴承 - 角接触球轴承】
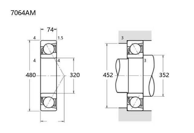
基本尺寸:内径:320 mm,外径:480 mm,厚度:74 mm。
价格区间:¥31899 - ¥38597.79【详情】
后缀列表:【A:接触角 30°】【M:实体黄铜保持架】
7064AM角接触球轴承的内径为320毫米,外径为480毫米,厚度为74毫米,属于中大型轴承规格。该轴承设计用于承受径向和轴向联合载荷,接触角结构使其在高速运转条件下表现稳定。适用于中等负荷和高转速应用场景,常见于工业传动设备、旋转支撑结构及精密机械中。
该型号轴承符合普通级精度标准,涵盖P0、P6和P5等级别,用户可根据实际工况对精度和游隙的要求进行选择。保持架设计和材料选择兼顾了强度与耐磨性,有助于延长轴承在连续运行时的使用寿命。润滑兼容性良好,可采用脂润滑或油润滑方式。
安装时需注意调整预紧力,以确保轴承性能发挥。典型应用包括大型电机、重型传动装置和某些专用机械设备,适用于工作温度范围较宽的环境。维护时应定期检查润滑状态和运行噪音,及时更换润滑剂有助于保持最佳运行状态。
7
0
6
4
A
M
7:角接触球轴承
0:尺寸系列:超轻 10 系列
64:内径:320 mm
A:接触角 30°
M:实体黄铜保持架
7:
角接触球轴承
0:
尺寸系列:超轻 10 系列
64:
内径:320 mm
A:
接触角 30°
M:
实体黄铜保持架
公称型号(按保持器区分) | ||
冲压钢 | ||
尼龙 | 7064ATN | |
车削铜 | 7064AM | |
主要尺寸(mm) | ||
内径 | d | 320 |
外径 | D | 480 |
厚度 | B | 74 |
r(min) | 4 | |
r1(min) | 1.5 | |
接触角 | ||
α(度) | 30° | |
额定载荷(KN) | ||
动载荷 | Cr(单列) | 465 |
基本额定静载荷 | Cor(单列) | 795 |
系数 | ||
f0 | — | |
限制速度(rpm) | ||
脂润滑 | 1200 | |
油润滑 | 1500 | |
载荷中心(mm) | ||
a(单列) | 152.5 | |
安装尺寸(mm) | ||
da(min) | 352 | |
Da(max) | 452 | |
ra(max) | 3 | |
db(min) | — | |
Db(max) | 461 | |
rb(max) | 1.5 | |
重量(kg) | ||
单列 | 47.2 |

商品 | 品牌 | 主要尺寸 | 发货仓 | 产地 | 库存 | 含税单价 | VIP价 | 操作 |
FAG 7064-MP轴承 单列角接触球轴承 |
FAG | 320 X 480 X 74 | 华中 | 1 | 38597.79 | ¥31899 | ||