产品分类

7044BM轴承
类型:【角接触球轴承 - 角接触球轴承】
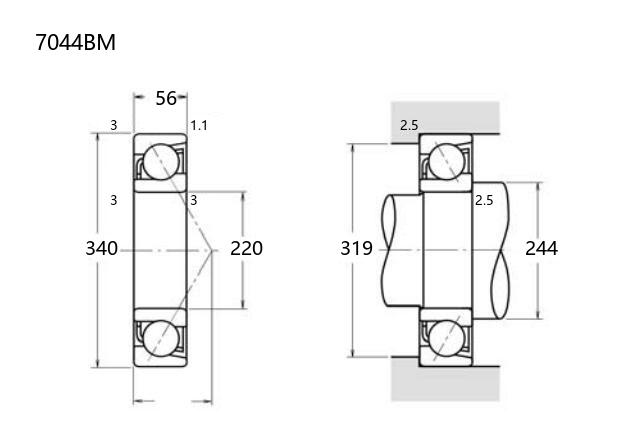
基本尺寸:内径:220 mm,外径:340 mm,厚度:56 mm。
价格区间:¥4141.73 - ¥17790.38【详情】
后缀列表:【B:接触角 40°】【M:实体黄铜保持架】
7044BM属于角接触球轴承的一种,其内径为220毫米,外径为340毫米,厚度为56毫米。这类轴承设计用于同时承受径向和轴向载荷,接触角结构使其在高速应用中表现稳定。该型号通常采用实体黄铜保持架,有助于提高运转平稳性和耐磨性。
在应用方面,7044BM常见于中等载荷的工业设备,如泵类、传动系统和通用机械领域。其尺寸规格适合空间受限但要求高刚性的场合,安装时需注意预紧力和对中调整,以优化性能。轴承的精度等级涵盖普通级,能够满足多种工况下的基本需求。
材料方面,内外圈及滚动体一般采用高碳铬钢,经过适当热处理以增强硬度和疲劳寿命。润滑方式可选择脂润滑或油润滑,具体取决于运行环境。使用者需根据实际负载和转速条件进行选型,并定期维护以延长使用寿命。该型号轴承在合理使用下能提供可靠的支撑功能。
7
0
4
4
B
M
7:角接触球轴承
0:尺寸系列:超轻 10 系列
44:内径:220 mm
B:接触角 40°
M:实体黄铜保持架
7:
角接触球轴承
0:
尺寸系列:超轻 10 系列
44:
内径:220 mm
B:
接触角 40°
M:
实体黄铜保持架
公称型号(按保持器区分) | ||
冲压钢 | ||
尼龙 | 7044BTN | |
车削铜 | 7044BM | |
主要尺寸(mm) | ||
内径 | d | 220 |
外径 | D | 340 |
厚度 | B | 56 |
r(min) | 3 | |
r1(min) | 1.1 | |
接触角 | ||
α(度) | 40° | |
额定载荷(KN) | ||
动载荷 | Cr(单列) | 253 |
基本额定静载荷 | Cor(单列) | 355 |
系数 | ||
f0 | — | |
限制速度(rpm) | ||
脂润滑 | ||
油润滑 | ||
载荷中心(mm) | ||
a(单列) | 145.5 | |
安装尺寸(mm) | ||
da(min) | 244 | |
Da(max) | 319 | |
ra(max) | 2.5 | |
db(min) | — | |
Db(max) | 326 | |
rb(max) | 1 | |
重量(kg) | ||
单列 | 18.4 |

商品 | 品牌 | 主要尺寸 | 发货仓 | 产地 | 库存 | 含税单价 | VIP价 | 操作 |
NSK 7044B轴承 单列角接触球轴承 |
NSK | 220 X 340 X 56 | 华东 | 日本 | 1 | 5361.99 | ¥4289.59 | |
SKF 7044 BGM轴承 角接触球轴承 |
SKF | 220 X 340 X 56 | 华北 | 3 | 17790.38 | ¥15743.7 | ||
FAG 7044-B-MP-UA轴承 单列角接触球轴承 |
FAG | 220 X 340 X 56 | 华南 | 3 | 7943.1 | ¥7221 | ||
NSK 7044BSUA23轴承 单列角接触球轴承 |
NSK | 220 X 340 X 56 | 华东 | 日本 | 2 | 4762.99 | ¥4141.73 | |