产品分类

7030AW轴承
类型:【角接触球轴承 - 角接触球轴承】
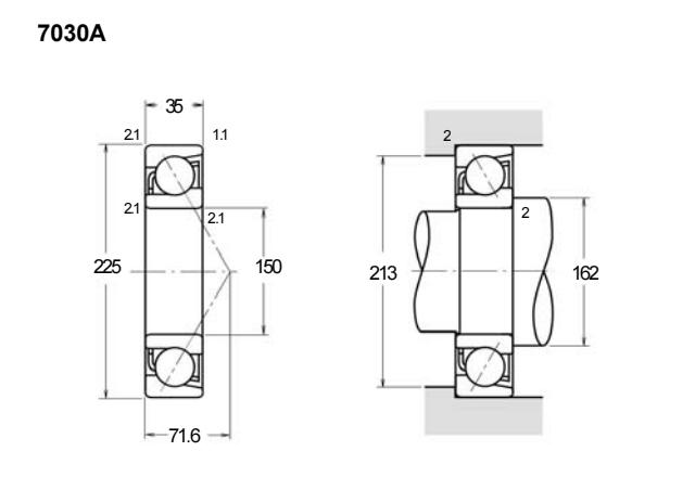
基本尺寸:内径:150 mm,外径:225 mm,厚度:35 mm。
价格区间:¥0 - ¥0【详情】
后缀列表:【A:接触角 30°】【W:钢板冲压冠形保持架】
7030AW属于角接触球轴承系列,内径为150毫米,外径225毫米,厚度35毫米,整体尺寸设计适用于中等负荷应用场景。该轴承采用角接触结构设计,能够同时承受径向和轴向载荷,且在高速运转条件下表现出良好的稳定性。其接触角优化了载荷分布,有助于提升整体性能。
在材料选择上,7030AW通常采用高品质轴承钢制造,经过标准热处理工艺,具备一定的耐磨性和抗疲劳特性。该型号轴承适用于普通精度等级,包括P0、P6或P5级别,可根据具体工况需求进行选择。其常见应用领域包括工业传动设备、中型机械旋转部件以及某些通用动力装置,能够满足常规运转条件下的使用要求。
安装时需注意保持适当的预紧力和对中精度,以充分发挥其性能特点。日常维护中建议定期检查润滑状态,确保轴承处于良好工作环境。该型号轴承的设计平衡了承载能力与转速适应性,在多种机械系统中具有较广的适用性。
7
0
3
0
A
W
7:角接触球轴承
0:尺寸系列:超轻 10 系列
30:内径:150 mm
A:接触角 30°
W:钢板冲压冠形保持架
7:
角接触球轴承
0:
尺寸系列:超轻 10 系列
30:
内径:150 mm
A:
接触角 30°
W:
钢板冲压冠形保持架
公称型号(按保持器区分) | ||
冲压钢 | 7030AW | |
尼龙 | 7030ATN | |
车削铜 | 7030AM | |
主要尺寸(mm) | ||
内径 | d | 150 |
外径 | D | 225 |
厚度 | B | 35 |
r(min) | 2.1 | |
r1(min) | 1.1 | |
接触角 | ||
α(度) | 30° | |
额定载荷(KN) | ||
动载荷 | Cr(单列) | 137 |
基本额定静载荷 | Cor(单列) | 154 |
系数 | ||
f0 | — | |
限制速度(rpm) | ||
脂润滑 | 2400 | |
油润滑 | 3000 | |
载荷中心(mm) | ||
a(单列) | 71.6 | |
安装尺寸(mm) | ||
da(min) | 162 | |
Da(max) | 213 | |
ra(max) | 2 | |
db(min) | — | |
Db(max) | 218 | |
rb(max) | 1 | |
重量(kg) | ||
单列 | 4.75 |

商品 | 品牌 | 主要尺寸 | 发货仓 | 产地 | 库存 | 含税单价 | VIP价 | 操作 |