产品分类

7024BM轴承
类型:【角接触球轴承 - 角接触球轴承】
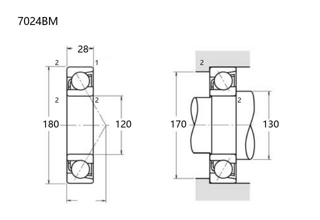
基本尺寸:内径:120 mm,外径:180 mm,厚度:28 mm。
价格区间:¥828.35 - ¥3505.36【详情】
后缀列表:【B:接触角 40°】【M:实体黄铜保持架】
7024BM属于角接触球轴承,内径为120毫米,外径180毫米,厚度28毫米。该轴承设计用于同时承受径向和轴向载荷,接触角结构优化了载荷分布,适用于较高转速场合。其保持架通常采用轻质材料,有助于减少摩擦和运转温度。
该型号轴承属于普通公差等级,涵盖P0、P6或P5级别,能够满足不同精度需求的应用场景。常见于工业传动设备、中型电机或精密机械中,提供稳定的旋转支撑和较高的刚性。安装时需注意轴向预紧和配合公差,以确保性能发挥。
在使用过程中,需配合适当的润滑与密封设计,以延长使用寿命并维持运行平稳性。该型号轴承兼顾通用性与经济性,适用于多种工业环境,但具体选型需结合实际工况条件进行综合评估。
7
0
2
4
B
M
7:角接触球轴承
0:尺寸系列:超轻 10 系列
24:内径:120 mm
B:接触角 40°
M:实体黄铜保持架
7:
角接触球轴承
0:
尺寸系列:超轻 10 系列
24:
内径:120 mm
B:
接触角 40°
M:
实体黄铜保持架
公称型号(按保持器区分) | ||
冲压钢 | 7024BW | |
尼龙 | 7024BTN | |
车削铜 | 7024BM | |
主要尺寸(mm) | ||
内径 | d | 120 |
外径 | D | 180 |
厚度 | B | 28 |
r(min) | 2 | |
r1(min) | 1 | |
接触角 | ||
α(度) | 40° | |
额定载荷(KN) | ||
动载荷 | Cr(单列) | 86.4 |
基本额定静载荷 | Cor(单列) | 93 |
系数 | ||
f0 | — | |
限制速度(rpm) | ||
脂润滑 | 2900 | |
油润滑 | 3900 | |
载荷中心(mm) | ||
a(单列) | 76.9 | |
安装尺寸(mm) | ||
da(min) | 130 | |
Da(max) | 170 | |
ra(max) | 2 | |
db(min) | — | |
Db(max) | 174 | |
rb(max) | 1 | |
重量(kg) | ||
单列 | 2.27 |

商品 | 品牌 | 主要尺寸 | 发货仓 | 产地 | 库存 | 含税单价 | VIP价 | 操作 |
NSK 7024B轴承 单列角接触球轴承 |
NSK | 120 X 180 X 28 | 华东 | 日本 | 1 | 3387.53 | ¥2945.68 | |
SKF 7024 BGM轴承 角接触球轴承 |
SKF | 120 X 180 X 28 | 华北 | 奥地利 | 26 | 2485.21 | ¥2053.89 | |
FAG 7024BMPUA轴承 单列角接触球轴承 |
FAG | 120 X 180 X 28 | 海外 | 6 | 2815.34 | ¥2469.6 | ||
NSK 7024B轴承 单列角接触球轴承 |
NSK | 120 X 180 X 28 | 华东 | 日本 | 2 | 1076.86 | ¥828.35 | |
NSK 7024B轴承 单列角接触球轴承 |
NSK | 120 X 180 X 28 | 华东 | 日本 | 1 | 3505.36 | ¥2945.68 | |
篇幅有限,仅显示五条,更多可点击:搜索,或者:深度搜索 |