产品分类

7020BM轴承
类型:【角接触球轴承 - 角接触球轴承】
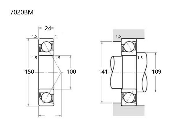
基本尺寸:内径:100 mm,外径:150 mm,厚度:24 mm。
价格区间:¥659.48 - ¥778.19【详情】
后缀列表:【B:接触角 40°】【M:实体黄铜保持架】
7020BM型角接触球轴承内径为100mm,外径150mm,厚度24mm。该型号属于通用型滚动轴承,其结构特点为内外圈之间具有接触角设计,可同时承受径向与轴向联合载荷。常见的精度等级涵盖P0、P6及P5级,适用于中等转速和载荷工况。
此类轴承多用于各类旋转设备中,例如机床主轴、泵类组件或传动系统支撑部位。其设计有助于提升系统刚性,并在一定程度上降低运转振动。选型时需根据实际负荷方向、转速要求及安装空间等因素综合考虑。
在安装和维护过程中需注意保持预紧力的适当调整与润滑状态的稳定,以延长使用寿命。轴承的实际性能往往受到配合零件精度及工作环境条件的影响,建议在使用前全面评估工况适配性。
7
0
2
0
B
M
7:角接触球轴承
0:尺寸系列:超轻 10 系列
20:内径:100 mm
B:接触角 40°
M:实体黄铜保持架
7:
角接触球轴承
0:
尺寸系列:超轻 10 系列
20:
内径:100 mm
B:
接触角 40°
M:
实体黄铜保持架
公称型号(按保持器区分) | ||
冲压钢 | 7020BW | |
尼龙 | 7020BTN | |
车削铜 | 7020BM | |
主要尺寸(mm) | ||
内径 | d | 100 |
外径 | D | 150 |
厚度 | B | 24 |
r(min) | 1.5 | |
r1(min) | 1 | |
接触角 | ||
α(度) | 40° | |
额定载荷(KN) | ||
动载荷 | Cr(单列) | 61.2 |
基本额定静载荷 | Cor(单列) | 63.6 |
系数 | ||
f0 | — | |
限制速度(rpm) | ||
脂润滑 | 3500 | |
油润滑 | 4700 | |
载荷中心(mm) | ||
a(单列) | 64.4 | |
安装尺寸(mm) | ||
da(min) | 109 | |
Da(max) | 141 | |
ra(max) | 1.5 | |
db(min) | — | |
Db(max) | 144 | |
rb(max) | 1 | |
重量(kg) | ||
单列 | 1.37 |

商品 | 品牌 | 主要尺寸 | 发货仓 | 产地 | 库存 | 含税单价 | VIP价 | 操作 |
NSK 7020B轴承 单列角接触球轴承 |
NSK | 100 X 150 X 24 | 华东 | 日本 | 1 | 758.4 | ¥659.48 | |
NSK 7020B轴承 单列角接触球轴承 |
NSK | 100 X 150 X 24 | 华东 | 日本 | 1 | 778.19 | ¥659.48 | |