产品分类

7019BTN轴承
类型:【角接触球轴承 - 角接触球轴承】
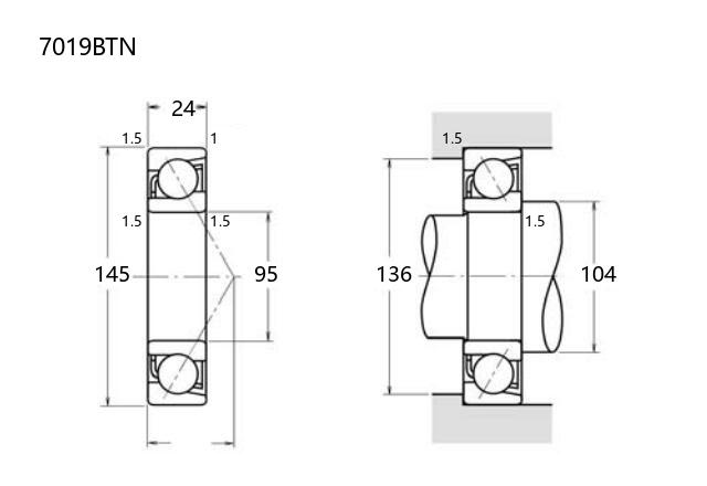
基本尺寸:内径:95 mm,外径:145 mm,厚度:24 mm。
价格区间:¥0 - ¥0【详情】
后缀列表:【B:接触角 40°】【TN:聚酰胺树脂(尼龙)保持架】
7019BTN属于角接触球轴承,内径为95毫米,外径145毫米,厚度24毫米。该轴承设计用于承受径向和轴向联合载荷,接触角通常为40度,适用于较高转速和刚性要求较高的场合。其结构特点为单列不可分离式,能够提供稳定的运行性能。
在应用方面,7019BTN常见于机床主轴、电机、泵类设备及精密传动系统中,能够有效支撑轴向和径向负荷,适应中高速运转条件。该型号为普通精度等级,涵盖P0、P6或P5级别,可根据具体工况选择匹配的精度。
角接触球轴承需成对安装使用或配合其他轴承组合,以提供更好的轴向预紧和刚性支撑。安装时需注意载荷方向与轴承接触角的一致性,确保负载合理分布。该型号采用常规润滑方式,维护简便,适用于一般工业环境。
7
0
1
9
B
T
N
7:角接触球轴承
0:尺寸系列:超轻 10 系列
19:内径:95 mm
B:接触角 40°
TN:聚酰胺树脂(尼龙)保持架
7:
角接触球轴承
0:
尺寸系列:超轻 10 系列
19:
内径:95 mm
B:
接触角 40°
TN:
聚酰胺树脂(尼龙)保持架
公称型号(按保持器区分) | ||
冲压钢 | 7019BW | |
尼龙 | 7019BTN | |
车削铜 | 7019BM | |
主要尺寸(mm) | ||
内径 | d | 95 |
外径 | D | 145 |
厚度 | B | 24 |
r(min) | 1.5 | |
r1(min) | 1 | |
接触角 | ||
α(度) | 40° | |
额定载荷(KN) | ||
动载荷 | Cr(单列) | 59.6 |
基本额定静载荷 | Cor(单列) | 60.5 |
系数 | ||
f0 | — | |
限制速度(rpm) | ||
脂润滑 | 3600 | |
油润滑 | 4800 | |
载荷中心(mm) | ||
a(单列) | 63.2 | |
安装尺寸(mm) | ||
da(min) | 104 | |
Da(max) | 136 | |
ra(max) | 1.5 | |
db(min) | — | |
Db(max) | 139 | |
rb(max) | 1 | |
重量(kg) | ||
单列 | 1.32 |

商品 | 品牌 | 主要尺寸 | 发货仓 | 产地 | 库存 | 含税单价 | VIP价 | 操作 |