产品分类

7018BTN轴承
类型:【角接触球轴承 - 角接触球轴承】
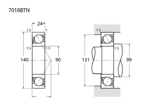
基本尺寸:内径:90 mm,外径:140 mm,厚度:24 mm。
价格区间:¥303.15 - ¥348.62【详情】
后缀列表:【B:接触角 40°】【TN:尼龙聚酰胺树脂保持架】
7018BTN是一款角接触球轴承,具有内径90mm、外径140mm及厚度24mm的尺寸规格。该轴承属于角接触球轴承类别,设计为单个普通级精度,可满足P0、P6或P5级别的应用需求。其结构兼顾径向和轴向载荷的支撑,适用于中等转速及复合受力场景。
在工业领域中,7018BTN常用于机床主轴、泵类设备或传动系统,能够提供稳定的旋转精度和刚性。角接触设计使其具备一定的调心能力,有助于补偿安装误差或轴挠曲。该型号轴承采用常规材料与热处理工艺,平衡了耐磨性与疲劳寿命。
选型时需结合具体工况,如载荷类型、转速范围及环境条件,确保兼容性与可靠性。维护中应注意润滑清洁与安装对中,以延长使用寿命。此类轴承在通用机械中较为常见,适合多种工业应用场景。
7
0
1
8
B
T
N
7:角接触球轴承
0:尺寸系列:超轻 10 系列
18:内径:90 mm
B:接触角 40°
TN:尼龙聚酰胺树脂保持架
7:
角接触球轴承
0:
尺寸系列:超轻 10 系列
18:
内径:90 mm
B:
接触角 40°
TN:
尼龙聚酰胺树脂保持架
公称型号(按保持器区分) | ||
冲压钢 | 7018BW | |
尼龙 | 7018BTN | |
车削铜 | 7018BM | |
主要尺寸(mm) | ||
内径 | d | 90 |
外径 | D | 140 |
厚度 | B | 24 |
r(min) | 1.5 | |
r1(min) | 1 | |
接触角 | ||
α(度) | 40° | |
额定载荷(KN) | ||
动载荷 | Cr(单列) | 58.4 |
基本额定静载荷 | Cor(单列) | 57.1 |
系数 | ||
f0 | — | |
限制速度(rpm) | ||
脂润滑 | 3900 | |
油润滑 | 5100 | |
载荷中心(mm) | ||
a(单列) | 60.2 | |
安装尺寸(mm) | ||
da(min) | 99 | |
Da(max) | 131 | |
ra(max) | 1.5 | |
db(min) | 96 | |
Db(max) | 134 | |
rb(max) | 1 | |
重量(kg) | ||
单列 | 1.26 |

商品 | 品牌 | 主要尺寸 | 发货仓 | 产地 | 库存 | 含税单价 | VIP价 | 操作 |
NTN 7018B轴承 角接触球 |
NTN | 90 X 140 X 24 | 华南 | 12 | 348.62 | ¥303.15 | ||