产品分类

7015AW轴承
类型:【角接触球轴承 - 角接触球轴承】
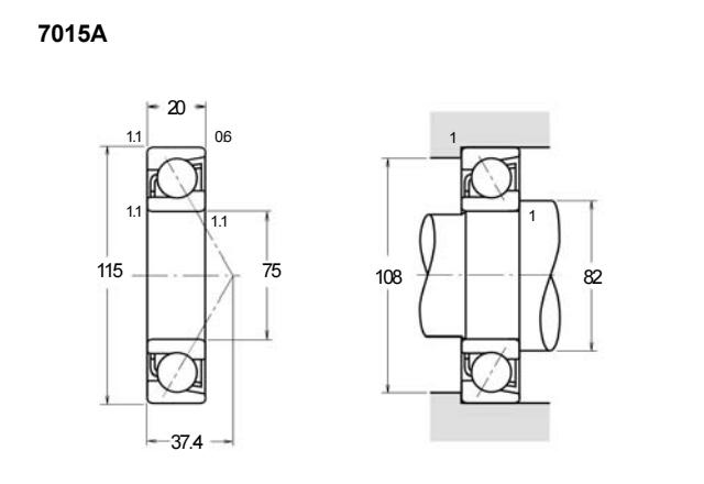
基本尺寸:内径:75 mm,外径:115 mm,厚度:20 mm。
价格区间:¥0 - ¥0【详情】
后缀列表:【A:接触角 30°】【W:钢板冲压冠形保持架】
7015AW是一款角接触球轴承,内径为75mm,外径115mm,厚度20mm。该型号适用于中等负荷和高速旋转场合,常见于工业设备中需要承受联合载荷的场景。其结构设计能够同时支持径向和轴向载荷,通常以特定接触角优化载荷分布。
作为P0级或同级精度产品,该轴承在一般工况下表现出良好的运行稳定性和耐用性。英制尺寸约为2.952英寸内径、4.527英寸外径和0.787英寸厚度,便于对应规格的设备选用。采用单列设计,安装时需注意调整预紧力以确保性能。
这类轴承多用于泵类、传动系统及通用机械领域,选型时需结合实际工况考虑润滑方式与配合公差。其性能特点使其成为众多工业应用中的常见选择之一。
7
0
1
5
A
W
7:角接触球轴承
0:尺寸系列:超轻 10 系列
15:内径:75 mm
A:接触角 30°
W:钢板冲压冠形保持架
7:
角接触球轴承
0:
尺寸系列:超轻 10 系列
15:
内径:75 mm
A:
接触角 30°
W:
钢板冲压冠形保持架
公称型号(按保持器区分) | ||
冲压钢 | 7015AW | |
尼龙 | 7015ATN | |
车削铜 | 7015AM | |
主要尺寸(mm) | ||
内径 | d | 75 |
外径 | D | 115 |
厚度 | B | 20 |
r(min) | 1.1 | |
r1(min) | 0.6 | |
接触角 | ||
α(度) | 30° | |
额定载荷(KN) | ||
动载荷 | Cr(单列) | 45 |
基本额定静载荷 | Cor(单列) | 43.5 |
系数 | ||
f0 | — | |
限制速度(rpm) | ||
脂润滑 | 4800 | |
油润滑 | 6300 | |
载荷中心(mm) | ||
a(单列) | 37.4 | |
安装尺寸(mm) | ||
da(min) | 82 | |
Da(max) | 108 | |
ra(max) | 1 | |
db(min) | 80 | |
Db(max) | 110 | |
rb(max) | 0.6 | |
重量(kg) | ||
单列 | 0.661 |

商品 | 品牌 | 主要尺寸 | 发货仓 | 产地 | 库存 | 含税单价 | VIP价 | 操作 |