产品分类

7013BTN轴承
类型:【角接触球轴承 - 角接触球轴承】
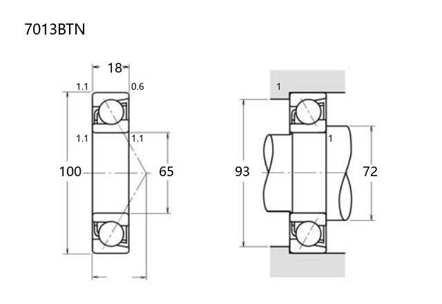
基本尺寸:内径:65 mm,外径:100 mm,厚度:18 mm。
价格区间:¥0 - ¥0【详情】
后缀列表:【B:接触角 40°】【TN:聚酰胺树脂(尼龙)保持架】
7013BTN属于角接触球轴承,内径为65毫米,外径100毫米,厚度18毫米。该轴承采用接触角设计,能够同时承受径向和轴向载荷,适用于较高转速的工况。其结构特点包括实体黄铜保持架,有助于提升运转稳定性和耐磨性。该型号通常归类为普通精度等级,涵盖P0、P6或P5级别,可满足一般工业应用的需求。
7013BTN常用于中型机械装备,如机床主轴、泵类设备或传动系统,其尺寸设计在保证负载能力的同时兼顾空间限制。安装时需注意配对使用或预紧调整,以确保载荷分布均匀。这类轴承在润滑良好条件下可发挥较长的使用寿命,但具体性能需结合实际工况及维护情况综合评估。选型时建议参考具体应用环境的负载、转速及精度要求。
7
0
1
3
B
T
N
7:角接触球轴承
0:尺寸系列:超轻 10 系列
13:内径:65 mm
B:接触角 40°
TN:聚酰胺树脂(尼龙)保持架
7:
角接触球轴承
0:
尺寸系列:超轻 10 系列
13:
内径:65 mm
B:
接触角 40°
TN:
聚酰胺树脂(尼龙)保持架
公称型号(按保持器区分) | ||
冲压钢 | 7013BW | |
尼龙 | 7013BTN | |
车削铜 | 7013BM | |
主要尺寸(mm) | ||
内径 | d | 65 |
外径 | D | 100 |
厚度 | B | 18 |
r(min) | 1.1 | |
r1(min) | 0.6 | |
接触角 | ||
α(度) | 40° | |
额定载荷(KN) | ||
动载荷 | Cr(单列) | 30.1 |
基本额定静载荷 | Cor(单列) | 28.3 |
系数 | ||
f0 | — | |
限制速度(rpm) | ||
脂润滑 | 5400 | |
油润滑 | 7200 | |
载荷中心(mm) | ||
a(单列) | 43.8 | |
安装尺寸(mm) | ||
da(min) | 72 | |
Da(max) | 93 | |
ra(max) | 1 | |
db(min) | 70 | |
Db(max) | 95 | |
rb(max) | 0.6 | |
重量(kg) | ||
单列 | 0.47 |

商品 | 品牌 | 主要尺寸 | 发货仓 | 产地 | 库存 | 含税单价 | VIP价 | 操作 |