产品分类

7003BTN轴承
类型:【角接触球轴承 - 角接触球轴承】
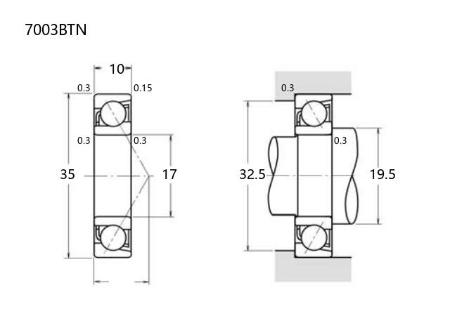
基本尺寸:内径:17 mm,外径:35 mm,厚度:10 mm。
价格区间:¥0 - ¥0【详情】
后缀列表:【B:接触角 40°】【TN:聚酰胺树脂(尼龙)保持架】
7003BTN属于角接触球轴承,内径为17毫米,外径35毫米,厚度10毫米。该轴承设计采用接触角结构,能够同时承受径向和轴向载荷,适用于需要较高旋转精度的场合。其材质通常为高强度铬钢,经过热处理以提升耐磨性和疲劳寿命。
该型号属于普通精度等级,涵盖P0、P6或P5级别,可满足一般工业应用对运行平稳性和低噪音的要求。常见应用包括小型电机、精密仪器、机床主轴以及办公设备等场景。安装时需注意配对使用或调整预紧,以保证载荷分布的合理性。
7003BTN具有结构紧凑、刚性较好的特点,在中等转速条件下表现稳定。用户在选择时需结合具体工况,考虑载荷、转速及环境因素,确保兼容性与耐久性。维护中建议定期检查润滑状态,以延长使用寿命。
7
0
0
3
B
T
N
7:角接触球轴承
0:尺寸系列:超轻 10 系列
03:内径:17 mm
B:接触角 40°
TN:聚酰胺树脂(尼龙)保持架
7:
角接触球轴承
0:
尺寸系列:超轻 10 系列
03:
内径:17 mm
B:
接触角 40°
TN:
聚酰胺树脂(尼龙)保持架
公称型号(按保持器区分) | ||
冲压钢 | 7003BW | |
尼龙 | 7003BTN | |
车削铜 | 7003BM | |
主要尺寸(mm) | ||
内径 | d | 17 |
外径 | D | 35 |
厚度 | B | 10 |
r(min) | 0.3 | |
r1(min) | 0.15 | |
接触角 | ||
α(度) | 40° | |
额定载荷(KN) | ||
动载荷 | Cr(单列) | 6.1 |
基本额定静载荷 | Cor(单列) | 3.75 |
系数 | ||
f0 | — | |
限制速度(rpm) | ||
脂润滑 | 17000 | |
油润滑 | 23000 | |
载荷中心(mm) | ||
a(单列) | 16.1 | |
安装尺寸(mm) | ||
da(min) | 19.5 | |
Da(max) | 32.5 | |
ra(max) | 0.3 | |
db(min) | 18.2 | |
Db(max) | 33.8 | |
rb(max) | 0.15 | |
重量(kg) | ||
单列 | 0.045 |

商品 | 品牌 | 主要尺寸 | 发货仓 | 产地 | 库存 | 含税单价 | VIP价 | 操作 |