产品分类

7003BM轴承
类型:【角接触球轴承 - 角接触球轴承】
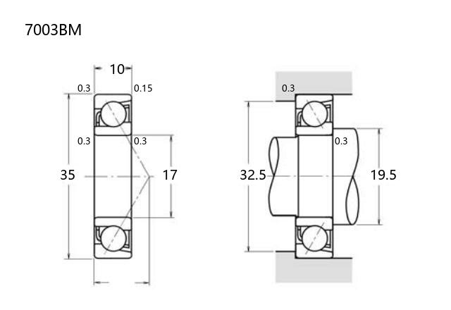
基本尺寸:内径:17 mm,外径:35 mm,厚度:10 mm。
价格区间:¥0 - ¥0【详情】
后缀列表:【B:接触角 40°】【M:实体黄铜保持架】
7003BM是一款角接触球轴承,内径为17mm,外径35mm,厚度10mm。该型号属于角接触球轴承中的单个普通级产品,通常具有P0、P6或P5级别的制造精度,适用于中等转速和载荷的场合。其结构能够同时承受径向和轴向负荷,接触角设计有助于提升轴向刚性。
该轴承常见于小型机电设备、精密仪器或传动系统中,例如小型电机主轴、泵类设备或家用电器。材料通常采用铬钢,并经过适当的热处理,以增强耐磨性和疲劳寿命。润滑方式可选油脂或油润滑,具体需根据应用环境选择。
安装时需注意角接触轴承的配对使用和预紧调整,以确保运行平稳性。维护中建议定期检查润滑状态,避免过热或污染。此类轴承在一般工业应用中表现出较好的可靠性和经济性。
7
0
0
3
B
M
7:角接触球轴承
0:尺寸系列:超轻 10 系列
03:内径:17 mm
B:接触角 40°
M:实体黄铜保持架
7:
角接触球轴承
0:
尺寸系列:超轻 10 系列
03:
内径:17 mm
B:
接触角 40°
M:
实体黄铜保持架
公称型号(按保持器区分) | ||
冲压钢 | 7003BW | |
尼龙 | 7003BTN | |
车削铜 | 7003BM | |
主要尺寸(mm) | ||
内径 | d | 17 |
外径 | D | 35 |
厚度 | B | 10 |
r(min) | 0.3 | |
r1(min) | 0.15 | |
接触角 | ||
α(度) | 40° | |
额定载荷(KN) | ||
动载荷 | Cr(单列) | 6.1 |
基本额定静载荷 | Cor(单列) | 3.75 |
系数 | ||
f0 | — | |
限制速度(rpm) | ||
脂润滑 | 17000 | |
油润滑 | 23000 | |
载荷中心(mm) | ||
a(单列) | 16.1 | |
安装尺寸(mm) | ||
da(min) | 19.5 | |
Da(max) | 32.5 | |
ra(max) | 0.3 | |
db(min) | 18.2 | |
Db(max) | 33.8 | |
rb(max) | 0.15 | |
重量(kg) | ||
单列 | 0.045 |

商品 | 品牌 | 主要尺寸 | 发货仓 | 产地 | 库存 | 含税单价 | VIP价 | 操作 |