产品分类

7000BTN轴承
类型:【角接触球轴承 - 角接触球轴承】
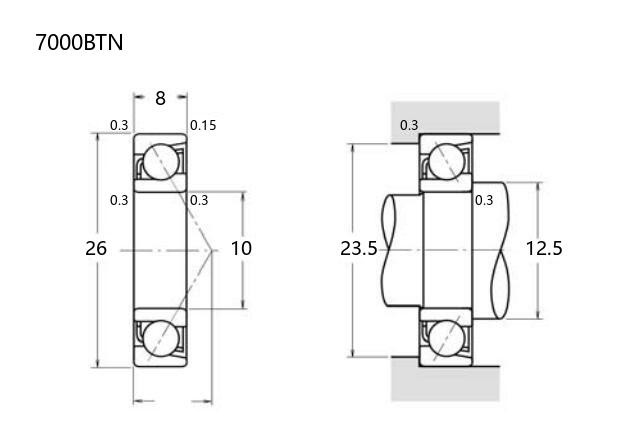
基本尺寸:内径:10 mm,外径:26 mm,厚度:8 mm。
价格区间:¥0 - ¥0【详情】
后缀列表:【B:接触角 40°】【TN:聚酰胺树脂(尼龙)保持架】
7000BTN属于角接触球轴承系列,内径10mm,外径26mm,厚度8mm。该型号采用接触角设计,可同时承受径向和轴向载荷,适用于中等转速及复合负荷工况。
该轴承属于普通精度等级,常见于工业传动、小型电机或精密仪器等场景,其结构紧凑,有助于节省安装空间。材料通常选用高碳铬钢,经热处理后具备良好的耐磨性和疲劳寿命。
在应用中需注意保证恰当的安装对中和润滑条件,以优化性能并延长使用寿命。维护时建议定期检查运行状态,避免过载或污染。该型号为通用型设计,选择时需结合具体工况参数进行综合评估。
7
0
0
0
B
T
N
7:角接触球轴承
0:尺寸系列:超轻 10 系列
00:内径:10 mm
B:接触角 40°
TN:聚酰胺树脂(尼龙)保持架
7:
角接触球轴承
0:
尺寸系列:超轻 10 系列
00:
内径:10 mm
B:
接触角 40°
TN:
聚酰胺树脂(尼龙)保持架
公称型号(按保持器区分) | ||
冲压钢 | 7000BW | |
尼龙 | 7000BTN | |
车削铜 | 7000BM | |
主要尺寸(mm) | ||
内径 | d | 10 |
外径 | D | 26 |
厚度 | B | 8 |
r(min) | 0.3 | |
r1(min) | 0.15 | |
接触角 | ||
α(度) | 40° | |
额定载荷(KN) | ||
动载荷 | Cr(单列) | 4.65 |
基本额定静载荷 | Cor(单列) | 2.15 |
系数 | ||
f0 | — | |
限制速度(rpm) | ||
脂润滑 | 25000 | |
油润滑 | 33000 | |
载荷中心(mm) | ||
a(单列) | 11.6 | |
安装尺寸(mm) | ||
da(min) | 12.5 | |
Da(max) | 23.5 | |
ra(max) | 0.3 | |
db(min) | 11.2 | |
Db(max) | 24.8 | |
rb(max) | 0.15 | |
重量(kg) | ||
单列 | 0.021 |

商品 | 品牌 | 主要尺寸 | 发货仓 | 产地 | 库存 | 含税单价 | VIP价 | 操作 |