产品分类

6822-2RSNR轴承
类型:【深沟球轴承 - 标准深沟球轴承】
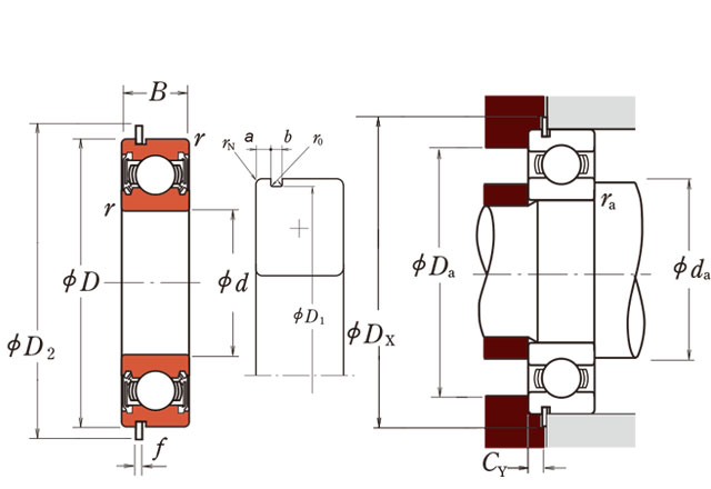
基本尺寸:内径:110 mm,外径:140 mm,厚度:16 mm。
价格区间:¥0 - ¥0【详情】
后缀列表:【-2RS:双面带接触式 NBR 丁腈橡胶密封件】【NR:外圈有止动槽和止动环,单侧密封时设在密封的另一侧】
6822-2RSNR是一款带卡环的深沟球轴承,内径为110mm,外径140mm,厚度16mm。该轴承属于标准深沟球轴承系列,其结构设计包含两侧接触式密封和外侧止动槽,适用于需限制轴向位移的安装场合。卡环结构可简化轴承座的轴向固定,有助于减少部件数量和装配复杂度。
此类轴承常用于中等负荷、中速旋转的应用环境,例如小型传动机构、家用电器或工业泵类设备。其密封设计有助于阻挡污染物进入,并对润滑脂具有一定的保持作用。由于结构紧凑,该型号适用于空间受限的安装位置。
使用时应根据实际工况选择合适的配合公差和润滑方式。安装过程中需注意避免对密封唇部造成损伤,以确保其防护性能。此类带卡环轴承在常规工业领域中有较广泛的应用。
6
8
2
2
-
2
R
S
N
R
6:深沟球轴承
8:尺寸系列:超轻 18 系列
22:内径:110 mm
-2RS:双面带接触式 NBR 丁腈橡胶密封件
NR:外圈有止动槽和止动环,单侧密封时设在密封的另一侧
6:
深沟球轴承
8:
尺寸系列:超轻 18 系列
22:
内径:110 mm
-2RS:
双面带接触式 NBR 丁腈橡胶密封件
NR:
外圈有止动槽和止动环,单侧密封时设在密封的另一侧
公称型号 | ||
按密封形式区分 | 开式 | 6822NR |
按密封形式区分 | 铁盖 | 6822ZZNR |
按密封形式区分 | 非接触式密封 | 6822-2RZNR |
按密封形式区分 | 接触式密封 | 6822-2RSNR |
主要尺寸(mm) | ||
内径 | d | 110 |
外径 | D | 140 |
宽度 | B | 16 |
r(min) | 1 | |
额定载荷(KN) | ||
基本额定动载荷 | Cr | 28.1 |
基本额定静载荷 | Cor | 32.5 |
系数 | ||
f0 | 17.1 | |
极限速度(rpm) | ||
脂润滑 | Open/ZZ/2RZ | 4300 |
脂润滑 | 2RS | 2400 |
油润滑 | Open/Z | 5300 |
卡槽尺寸(mm) | ||
a(max) | 2.5 | |
b(min) | 1.9 | |
D1(max) | 137.6 | |
r0(max) | 0.6 | |
rN(min) | 0.5 | |
卡环(mm) | ||
D2(max) | 145.7 | |
f(max) | 1.7 | |
安装尺寸(mm) | ||
da(min) | 115 | |
da(max) | 117 | |
Da(max) | 135 | |
ra(max) | 1 | |
Dx(min) | 147 | |
Cy(max) | 3.9 | |
重量(kg) | 0.497 |

商品 | 品牌 | 主要尺寸 | 发货仓 | 产地 | 库存 | 含税单价 | VIP价 | 操作 |