产品分类

6311ZZNR轴承
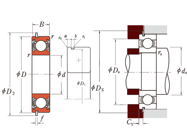
类型:【深沟球轴承 - 标准深沟球轴承】
基本尺寸:内径:55 mm,外径:120 mm,厚度:29 mm。
价格区间:¥143.73 - ¥240.35【详情】
后缀列表:【ZZ:两侧带金属防尘盖】【NR:外圈有止动槽和止动环,单侧密封时设在密封的另一侧】
6311ZZNR属于深沟球轴承中的带卡环型结构,内圈设计有卡环槽,安装卡环后可限制轴承轴向位移,简化壳体结构设计。其基本尺寸为内径55毫米、外径120毫米、厚度29毫米。该型号采用两侧带防尘盖(ZZ)配置,有助于减少润滑脂泄漏并阻挡外部污染物侵入,适用于中等转速及常见负载工况。
此类轴承常应用于传动系统、电机、泵类设备等工业领域,能够支持径向载荷与一定程度的双向轴向载荷。卡环结构为安装提供便利,允许在箱体座孔中直接固定,节省轴向空间。选型时需结合实际工况考虑润滑条件、温度范围及振动环境等因素,确保匹配设备运行需求。
6
3
1
1
Z
Z
N
R
6:深沟球轴承
3:尺寸系列:中窄 03 系列
11:内径:55 mm
ZZ:两侧带金属防尘盖
NR:外圈有止动槽和止动环,单侧密封时设在密封的另一侧
6:
深沟球轴承
3:
尺寸系列:中窄 03 系列
11:
内径:55 mm
ZZ:
两侧带金属防尘盖
NR:
外圈有止动槽和止动环,单侧密封时设在密封的另一侧
公称型号 | ||
按密封形式区分 | 开式 | 6311NR |
按密封形式区分 | 铁盖 | 6311ZZNR |
按密封形式区分 | 非接触式密封 | 6311-2RZNR |
按密封形式区分 | 接触式密封 | 6311-2RSNR |
主要尺寸(mm) | ||
内径 | d | 55 |
外径 | D | 120 |
宽度 | B | 29 |
r(min) | 2 | |
额定载荷(KN) | ||
基本额定动载荷 | Cr | 71.5 |
基本额定静载荷 | Cor | 44.5 |
系数 | ||
f0 | 13.1 | |
极限速度(rpm) | ||
脂润滑 | Open/ZZ/2RZ | 5600 |
脂润滑 | 2RS | 4000 |
油润滑 | Open/Z | 6700 |
卡槽尺寸(mm) | ||
a(max) | 4.06 | |
b(min) | 3.1 | |
D1(max) | 115.21 | |
r0(max) | 0.6 | |
rN(min) | 0.5 | |
卡环(mm) | ||
D2(max) | 129.7 | |
f(max) | 2.82 | |
安装尺寸(mm) | ||
da(min) | 64 | |
da(max) | 72.5 | |
Da(max) | 111 | |
ra(max) | 2 | |
Dx(min) | 131.5 | |
Cy(max) | 6.5 | |
重量(kg) | 1.37 |

商品 | 品牌 | 主要尺寸 | 发货仓 | 产地 | 库存 | 含税单价 | VIP价 | 操作 |
NSK 6311ZZNR轴承 标准深沟球轴承 |
NSK | 55.00 X 120.00 X 29.00 | 华南 | 30 | 240.35 | ¥187.77 | ||
NTN 6311ZNR轴承 深沟球 |
NTN | 55 X 120 X 29 | 华南 | 4 | 217.9 | ¥198.09 | ||
NSK 6311ZZNR轴承 标准深沟球轴承 |
NSK | 55.00 X 120.00 X 29.00 | 华南 | 10 | 235.64 | ¥179.88 | ||
NSK 6311ZZNR轴承 标准深沟球轴承 |
NSK | 55.00 X 120.00 X 29.00 | 华东 | LR-中国沈阳 | 9 | 183.97 | ¥143.73 | |
NSK 6311ZZNR轴承 标准深沟球轴承 |
NSK | 55.00 X 120.00 X 29.00 | 华南 | 89 | 185.89 | ¥144.1 | ||
篇幅有限,仅显示五条,更多可点击:搜索,或者:深度搜索 |