产品分类

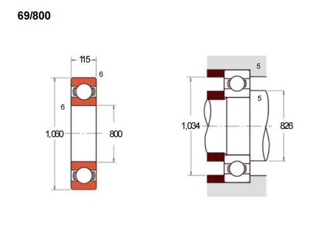
该轴承型号为69/800,属于深沟球轴承中的标准型产品。其内径尺寸为800毫米,外径为1060毫米,厚度为115毫米。此类轴承采用常见的标准设计,具备典型的深沟结构,能够同时承受径向载荷和一定程度的轴向载荷。在应用中,这类轴承适用于中等转速和常规载荷的场景,常见于大型工业设备、重型机械或某些传动系统中。由于尺寸较大,其在安装和维护时需注意对中和润滑条件。该型号轴承的生产符合通用技术标准,但具体性能可能因制造商和工况而异。选用时需结合实际需求,并参考详细技术资料进行确认。
6
9
/
8
0
0
6:深沟球轴承
9:尺寸系列:超轻 19 系列
/:分隔符
800:公称内径:800 mm
6:
深沟球轴承
9:
尺寸系列:超轻 19 系列
/:
分隔符
800:
公称内径:800 mm
公称型号 | ||
按密封形式区分 | 开式 | 69/800 |
按密封形式区分 | 铁盖 | — |
按密封形式区分 | 非接触式密封 | — |
按密封形式区分 | 接触式密封 | — |
主要尺寸(mm) | ||
内径 | d | 800 |
外径 | D | 1060 |
宽度 | B | 115 |
r(min) | 6 | |
额定载荷(KN) | ||
基本额定动载荷 | Cr | 825 |
基本额定静载荷 | Cor | 2050 |
系数 | ||
f0 | 16.8 | |
极限速度(rpm) | ||
脂润滑 | Open/ZZ/2RZ | 380 |
脂润滑 | 2RS | — |
油润滑 | Open/Z | 450 |
安装尺寸(mm) | ||
da(min) | 826 | |
da(max) | — | |
Da(max) | 1034 | |
ra(max) | 5 | |
重量(kg) | 275 |

商品 | 品牌 | 主要尺寸 | 发货仓 | 产地 | 库存 | 含税单价 | VIP价 | 操作 |