产品分类

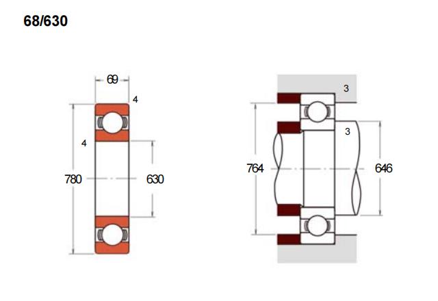
68/630型深沟球轴承属于标准深沟球轴承系列,其结构设计符合通用标准型轴承的基本特征。该轴承内径尺寸为630毫米,外径为780毫米,厚度为69毫米,尺寸规格适用于中大型机械装置的载荷支撑需求。
深沟球轴承凭借其对称的滚道结构和较高的通用性,能够同时承受径向载荷与一定的双向轴向载荷,适用于中等转速工况。68/630轴承采用开放式设计,便于维护和润滑,其内外圈之间的径向游隙可根据实际应用条件进行选择调整。
该型号轴承常见于工业传动设备、大型电机、通用机械等领域,为旋转部件提供稳定支撑。选用时需结合实际的载荷条件、转速要求及环境因素进行综合评估,并建议通过专业渠道获取具体技术参数以确认适用性。
6
8
/
6
3
0
6:深沟球轴承
8:尺寸系列:超轻 18 系列
/:分隔符
630:公称内径:630 mm
6:
深沟球轴承
8:
尺寸系列:超轻 18 系列
/:
分隔符
630:
公称内径:630 mm
公称型号 | ||
按密封形式区分 | 开式 | 68/630 |
按密封形式区分 | 铁盖 | — |
按密封形式区分 | 非接触式密封 | — |
按密封形式区分 | 接触式密封 | — |
主要尺寸(mm) | ||
内径 | d | 630 |
外径 | D | 780 |
宽度 | B | 69 |
r(min) | 4 | |
额定载荷(KN) | ||
基本额定动载荷 | Cr | 420 |
基本额定静载荷 | Cor | 890 |
系数 | ||
f0 | 17.3 | |
极限速度(rpm) | ||
脂润滑 | Open/ZZ/2RZ | 560 |
脂润滑 | 2RS | — |
油润滑 | Open/Z | 670 |
安装尺寸(mm) | ||
da(min) | 646 | |
da(max) | — | |
Da(max) | 764 | |
ra(max) | 3 | |
重量(kg) | 71.3 |

商品 | 品牌 | 主要尺寸 | 发货仓 | 产地 | 库存 | 含税单价 | VIP价 | 操作 |
HRB 618/630轴承 标准深沟球轴承 |
HRB | 630.00 X 780.00 X 69.00 | 华东 | 哈尔滨 | 1000 | 5977.12 | ¥4427.5 | |
HRB 618/6301/P5轴承 标准深沟球轴承 |
HRB | 630.00 X 780.00 X 69.00 | 华东 | 哈尔滨 | 1000 | 10298.75 | ¥9625 | |