产品分类

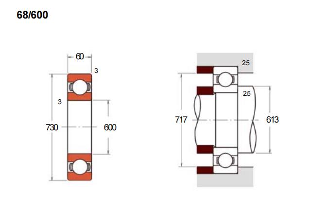
68/600深沟球轴承属于标准型深沟球轴承系列,其内径为600毫米,外径为730毫米,厚度为60毫米。该型号适用于中低速、中等载荷的工况条件,常见于工业传动、大型机械设备及重型支撑结构中。
深沟球轴承设计简洁,具备径向载荷和一定轴向载荷的承载能力,运转平稳且维护需求较低。该系列轴承采用开放式结构,便于润滑操作,同时可根据实际需求选择密封或防尘配置。
在应用方面,该型号轴承多用于大型电机、矿山机械、冶金设备或风力发电装置等场合。选型时需结合具体工况条件,综合考虑负载特性、转速范围及环境因素,以确保其性能与设备要求相匹配。安装和维护过程中需注意保持清洁并规范操作,以延长轴承使用寿命。
6
8
/
6
0
0
6:深沟球轴承
8:尺寸系列:超轻 18 系列
/:分隔符
600:公称内径:600 mm
6:
深沟球轴承
8:
尺寸系列:超轻 18 系列
/:
分隔符
600:
公称内径:600 mm
公称型号 | ||
按密封形式区分 | 开式 | 68/600 |
按密封形式区分 | 铁盖 | — |
按密封形式区分 | 非接触式密封 | — |
按密封形式区分 | 接触式密封 | — |
主要尺寸(mm) | ||
内径 | d | 600 |
外径 | D | 730 |
宽度 | B | 60 |
r(min) | 3 | |
额定载荷(KN) | ||
基本额定动载荷 | Cr | 355 |
基本额定静载荷 | Cor | 735 |
系数 | ||
f0 | 17.5 | |
极限速度(rpm) | ||
脂润滑 | Open/ZZ/2RZ | 600 |
脂润滑 | 2RS | — |
油润滑 | Open/Z | 710 |
安装尺寸(mm) | ||
da(min) | 613 | |
da(max) | — | |
Da(max) | 717 | |
ra(max) | 2.5 | |
重量(kg) | 50.9 |

商品 | 品牌 | 主要尺寸 | 发货仓 | 产地 | 库存 | 含税单价 | VIP价 | 操作 |
HRB 618/600轴承 标准深沟球轴承 |
HRB | 600.00 X 730.00 X 60.00 | 华东 | 哈尔滨 | 1000 | 7969.5 | ¥7590 | |
NTN 68/600AEX1L1CWC3PX1轴承 深沟球 |
NTN | 600 X 730 X 60 | 华北 | 2 | 48947.91 | ¥39158.33 | ||