产品分类

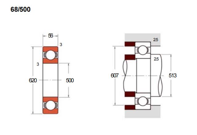
68/500型号深沟球轴承属于标准型深沟球轴承系列,其内径尺寸为500毫米,外径为620毫米,厚度为56毫米。该轴承采用常见的对称滚道结构,能够同时承受径向载荷与一定的双向轴向载荷,适用于中等转速工况。
由于采用开式设计,该型号通常未预先填充润滑脂,用户可根据实际应用环境选择合适的润滑方式。其结构简单,安装维护较为方便,在工业传动、中型机械等领域具有较广泛的应用。
深沟球轴承作为常见的轴承类型,具有运转平稳、摩擦系数较低的特点。该尺寸规格的轴承常见于大中型设备的支撑部位,例如输送系统、风扇主轴或普通工业电机等场合。选用时需结合实际工况条件确认载荷能力与转速范围的适用性,并确保配合尺寸及润滑条件符合要求。
6
8
/
5
0
0
6:深沟球轴承
8:尺寸系列:超轻 18 系列
/:分隔符
500:公称内径:500 mm
6:
深沟球轴承
8:
尺寸系列:超轻 18 系列
/:
分隔符
500:
公称内径:500 mm
公称型号 | ||
按密封形式区分 | 开式 | 68/500 |
按密封形式区分 | 铁盖 | — |
按密封形式区分 | 非接触式密封 | — |
按密封形式区分 | 接触式密封 | — |
主要尺寸(mm) | ||
内径 | d | 500 |
外径 | D | 620 |
宽度 | B | 56 |
r(min) | 3 | |
额定载荷(KN) | ||
基本额定动载荷 | Cr | 320 |
基本额定静载荷 | Cor | 600 |
系数 | ||
f0 | 17.3 | |
极限速度(rpm) | ||
脂润滑 | Open/ZZ/2RZ | 750 |
脂润滑 | 2RS | — |
油润滑 | Open/Z | 900 |
安装尺寸(mm) | ||
da(min) | 513 | |
da(max) | — | |
Da(max) | 607 | |
ra(max) | 2.5 | |
重量(kg) | 37.2 |

商品 | 品牌 | 主要尺寸 | 发货仓 | 产地 | 库存 | 含税单价 | VIP价 | 操作 |
HRB 618/500M轴承 标准深沟球轴承 |
HRB | 500.00 X 620.00 X 56.00 | 华东 | 哈尔滨 | 1000 | 12941.46 | ¥9310.4 | |