产品分类

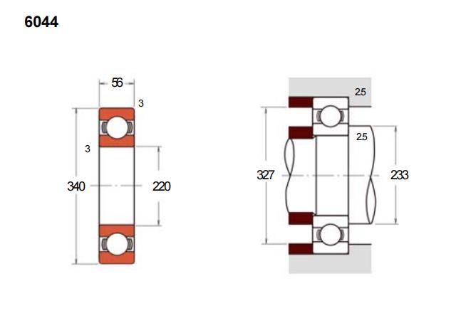
6044型深沟球轴承属于标准型深沟球轴承系列,其内径尺寸为220毫米,外径为340毫米,厚度56毫米。该结构设计具备一定的承载能力,可同时承受径向载荷与一定程度的双向轴向载荷,适用于中等转速工况。
深沟球轴承是应用较广泛的轴承类型之一,结构简单,维护便捷。6044轴承采用开放型结构,便于润滑剂的添加与补充,有助于维持运行的平稳性与使用寿命。该型号常见于工业传动装置、中型电机、泵类设备及一般机械传动部位,能够满足多种工业场景下的基础需求。
在使用过程中需注意保持润滑状态,避免过载或高速运转下导致的温升异常。安装时建议采用合适的工具和方法,以保护轴承圈和滚动体不受损伤,从而发挥其应有的性能特点。
6
0
4
4
6:深沟球轴承
0:尺寸系列:超轻 10 系列
44:内径:220 mm
6:
深沟球轴承
0:
尺寸系列:超轻 10 系列
44:
内径:220 mm
公称型号 | ||
按密封形式区分 | 开式 | 6044 |
按密封形式区分 | 铁盖 | 6044ZZ |
按密封形式区分 | 非接触式密封 | — |
按密封形式区分 | 接触式密封 | — |
主要尺寸(mm) | ||
内径 | d | 220 |
外径 | D | 340 |
宽度 | B | 56 |
r(min) | 3 | |
额定载荷(KN) | ||
基本额定动载荷 | Cr | 235 |
基本额定静载荷 | Cor | 271 |
系数 | ||
f0 | 15.6 | |
极限速度(rpm) | ||
脂润滑 | Open/ZZ/2RZ | 1700 |
脂润滑 | 2RS | — |
油润滑 | Open/Z | 2000 |
安装尺寸(mm) | ||
da(min) | 233 | |
da(max) | 254.5 | |
Da(max) | 327 | |
ra(max) | 2.5 | |
重量(kg) | 18.6 |

商品 | 品牌 | 主要尺寸 | 发货仓 | 产地 | 库存 | 含税单价 | VIP价 | 操作 |
HRB 6044轴承 标准深沟球轴承 |
HRB | 220.00 X 340.00 X 56.00 | 华北 | 哈尔滨 | 52 | 460.58 | ¥414.94 | |
KOYO 6044轴承 深沟球轴承 |
KOYO | 220 X 340 X 56 | 华北 | 2 | 2359.7 | ¥2016.84 | ||
NSK 6044轴承 标准深沟球轴承 |
NSK | 220.00 X 340.00 X 56.00 | 华东 | NSK-日本 | 1 | 6647.67 | ¥5113.59 | |
NTN 6044轴承 深沟球 |
NTN | 220 X 340 X 56 | 华南 | 15 | 2948.31 | ¥2285.51 | ||
KOYO 6044 FYP0/00 G轴承 深沟球轴承 |
KOYO | 220 X 340 X 56 | 华东 | 日本 | 1 | 3222.06 | ¥2730.56 | |
篇幅有限,仅显示五条,更多可点击:搜索,或者:深度搜索 |